Việc hiểu rõ về sơ đồ mạch điện Mazda 3 là vô cùng quan trọng đối với bất kỳ chủ xe nào muốn tự mình kiểm tra, sửa chữa hoặc chỉ đơn giản là nâng cao kiến thức về chiếc xe của mình. Mazda 3, với thiết kế hiện đại và hệ thống điện phức tạp, yêu cầu một cái nhìn tổng quan chi tiết về cách các bộ phận điện kết nối và hoạt động. Bài viết này sẽ cung cấp một cái nhìn sâu sắc về sơ đồ mạch điện của Mazda 3, giúp bạn dễ dàng xác định vị trí các thành phần, hiểu được chức năng của chúng và cách chúng tương tác với nhau. Chúng tôi sẽ đi sâu vào các khu vực mạch điện chính, từ hệ thống chiếu sáng, khởi động, đến các cảm biến và bộ điều khiển phức tạp, nhằm mang đến cho bạn nguồn thông tin toàn diện và đáng tin cậy nhất.
Tóm tắt quy trình: Hướng dẫn nhanh về Sơ đồ mạch điện Mazda 3
Tổng quan nội dung
- 1 Tóm tắt quy trình: Hướng dẫn nhanh về Sơ đồ mạch điện Mazda 3
- 2 Hiểu biết cơ bản về Sơ đồ mạch điện Mazda 3
- 3 Các Thành phần Quan trọng trong Sơ đồ mạch điện Mazda 3
- 4 Cách đọc hiểu Sơ đồ mạch điện Mazda 3
- 5 Các Vấn đề Thường gặp Liên quan đến Mạch điện Mazda 3 và Cách Khắc phục
- 6 Lời khuyên từ thienminh-autosafety.com
- 7 Thông tin hữu ích về thienminh-autosafety.com
- Xác định mục đích sử dụng sơ đồ: Hiểu rõ bạn cần sơ đồ cho hệ thống nào (động cơ, chiếu sáng, điều hòa…).
- Tìm kiếm nguồn sơ đồ đáng tin cậy: Ưu tiên các nguồn tài liệu kỹ thuật chính hãng hoặc các diễn đàn ô tô uy tín.
- Phân tích ký hiệu: Làm quen với các ký hiệu điện tiêu chuẩn được sử dụng trong sơ đồ.
- Xác định vị trí các thành phần: Lần theo các đường dây để tìm vị trí của từng bộ phận trên xe.
- Kiểm tra kết nối và nguồn điện: Xác định nguồn cấp điện, các điểm nối và cầu chì bảo vệ.
- Sử dụng cho mục đích sửa chữa/chẩn đoán: Áp dụng kiến thức để khắc phục sự cố.
Hiểu biết cơ bản về Sơ đồ mạch điện Mazda 3
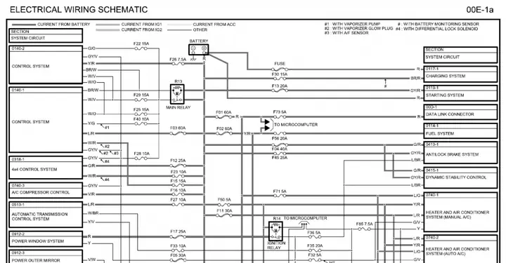
Một sơ đồ mạch điện ô tô giống như bản đồ chi tiết về hệ thống điện của chiếc xe. Nó thể hiện cách các thành phần điện tử như ắc quy, máy phát, bộ đề, đèn, cảm biến, bộ điều khiển (ECU), và các thiết bị khác được kết nối với nhau thông qua dây dẫn, cầu chì, rơ-le và các bộ phận khác. Việc đọc hiểu sơ đồ này không chỉ giúp bạn hình dung được cấu trúc điện mà còn là công cụ không thể thiếu khi bạn cần thực hiện các công việc bảo dưỡng, sửa chữa hoặc khắc phục sự cố. Đặc biệt với dòng xe Mazda 3, một mẫu xe với nhiều công nghệ hiện đại, sơ đồ mạch điện cung cấp cái nhìn tổng thể về cách các hệ thống này hoạt động đồng bộ.
Các Thành phần Quan trọng trong Sơ đồ mạch điện Mazda 3
Để có thể đọc hiểu sơ đồ mạch điện Mazda 3 một cách hiệu quả, việc làm quen với các ký hiệu và chức năng của các thành phần cơ bản là điều cần thiết. Dưới đây là một số thành phần chính thường xuất hiện trong sơ đồ:

Có thể bạn quan tâm: Sàn Xe Mazda Làm Bằng Gì? Khám Phá Chất Liệu Và Công Nghệ Tạo Nên Độ Bền
1. Nguồn điện chính (Ắc quy và Máy phát điện)
- Ắc quy (Battery): Là nguồn cung cấp năng lượng điện ban đầu cho toàn bộ hệ thống khi động cơ chưa hoạt động và đóng vai trò ổn định điện áp. Trên sơ đồ, ắc quy thường được ký hiệu bằng một hình chữ nhật với hai cực âm (-) và dương (+).
- Máy phát điện (Alternator): Khi động cơ hoạt động, máy phát điện sẽ sản xuất điện để cung cấp cho các hệ thống điện và sạc lại cho ắc quy. Ký hiệu máy phát điện thường đi kèm với bộ điều chỉnh điện áp (voltage regulator).
2. Hệ thống Khởi động
- Công tắc đánh lửa (Ignition Switch): Cho phép người lái điều khiển việc cấp điện cho các hệ thống khác nhau (ACC, ON, START).
- Rơ-le khởi động (Starter Relay): Một công tắc điện tử được điều khiển bởi tín hiệu từ công tắc đánh lửa, có nhiệm vụ đóng ngắt dòng điện lớn đến mô tơ đề.
- Mô tơ đề (Starter Motor): Sử dụng năng lượng điện từ ắc quy để quay bánh đà động cơ, khởi động quá trình đốt trong.
3. Hệ thống Chiếu sáng
Hệ thống chiếu sáng bao gồm nhiều bộ phận, mỗi bộ phận được nối với nguồn điện thông qua các cầu chì và công tắc tương ứng.
- Đèn pha (Headlights): Bao gồm đèn cốt và đèn pha, được điều khiển bởi công tắc đèn trên bảng táp-lô.
- Đèn hậu (Taillights): Đèn chiếu sáng biển số, đèn phanh.
- Đèn xi-nhan (Turn Signals): Bao gồm đèn trước, sau và hai bên hông (nếu có), được điều khiển bởi công tắc xi-nhan và bộ phận nháy đèn (flasher unit).
- Đèn nội thất (Interior Lights): Đèn trần, đèn đọc sách.
4. Hệ thống Cảm biến và Bộ điều khiển (ECU)

Có thể bạn quan tâm: Sàn Da Cao Cấp Cho Mazda: Nâng Tầm Nội Thất Xe Sang
Mazda 3 hiện đại sử dụng rất nhiều cảm biến để thu thập dữ liệu về hoạt động của xe, sau đó gửi về Bộ điều khiển động cơ (Engine Control Unit – ECU) để xử lý và điều chỉnh các hệ thống.
- Các cảm biến động cơ: Cảm biến vị trí trục khuỷu, cảm biến vị trí trục cam, cảm biến oxy, cảm biến nhiệt độ nước làm mát, cảm biến lưu lượng khí nạp (MAF)…
- Các cảm biến khác: Cảm biến tốc độ bánh xe (ABS), cảm biến túi khí, cảm biến áp suất lốp (TPMS)…
- ECU (Engine Control Unit / Powertrain Control Module – PCM): Bộ não của xe, nhận tín hiệu từ các cảm biến và điều khiển các cơ cấu chấp hành (kim phun, bugi, van bướm ga…). Sơ đồ mạch điện sẽ cho thấy cách ECU được kết nối với từng cảm biến và bộ phận khác.
5. Hệ thống Giải trí và Tiện nghi
- Hệ thống âm thanh: Bao gồm đầu phát, loa, bộ khuếch đại.
- Hệ thống điều hòa: Máy nén, quạt gió, bộ điều khiển nhiệt độ.
- Cửa sổ điện, khóa điện, gương điện.
6. Các bộ phận bảo vệ mạch điện
- Cầu chì (Fuses): Bảo vệ các mạch điện khỏi quá tải bằng cách tự ngắt khi dòng điện vượt quá giới hạn cho phép. Mỗi cầu chì thường bảo vệ một hoặc một nhóm bộ phận nhất định.
- Rơ-le (Relays): Hoạt động như một công tắc điện tử, cho phép một dòng điện nhỏ điều khiển một dòng điện lớn hơn để đóng/ngắt các bộ phận tiêu thụ nhiều điện năng (ví dụ: quạt gió, mô tơ đề).
- Cầu dao tự phục hồi (Resettable fuses/Circuit breakers): Một số mạch điện sử dụng loại này, có thể tự phục hồi sau khi sự cố được khắc phục.
Cách đọc hiểu Sơ đồ mạch điện Mazda 3
Việc đọc hiểu một sơ đồ mạch điện yêu cầu sự kiên nhẫn và phương pháp tiếp cận có hệ thống. Dưới đây là các bước bạn nên thực hiện:

Có thể bạn quan tâm: Suspension System On Mazda Bt-50: Cấu Tạo, Chức Năng Và Lựa Chọn Nâng Cấp
1. Tìm kiếm Sơ đồ Phù hợp
- Tài liệu sửa chữa chính hãng (Factory Service Manual – FSM): Đây là nguồn tốt nhất, cung cấp sơ đồ chi tiết và chính xác nhất cho từng đời xe và phiên bản cụ thể của Mazda 3.
- Sách hướng dẫn sửa chữa của các hãng thứ ba: Haynes, Chilton… thường cung cấp sơ đồ tổng quát nhưng vẫn hữu ích.
- Diễn đàn ô tô và cộng đồng trực tuyến: Có thể tìm thấy các bản sơ đồ chia sẻ từ những người dùng khác, tuy nhiên cần kiểm tra tính chính xác.
- Lưu ý: Luôn cố gắng tìm sơ đồ tương ứng với đời xe và phiên bản động cơ/hệ thống truyền động của bạn, vì sơ đồ có thể thay đổi đáng kể giữa các thế hệ và tùy chọn trang bị.
2. Hiểu các Ký hiệu Tiêu chuẩn
Các sơ đồ mạch điện sử dụng các ký hiệu đồ họa tiêu chuẩn để biểu diễn các thành phần điện tử. Một số ký hiệu phổ biến bao gồm:
- Đường thẳng: Dây dẫn điện.
- Điểm nối dây: Một chấm nhỏ tại nơi các đường dây gặp nhau.
- Ngã ba đường dây (không nối): Hai đường dây cắt nhau nhưng không có chấm, nghĩa là chúng không được kết nối với nhau.
- Công tắc: Thường có dạng các thanh kim loại đóng/mở mạch.
- Cầu chì: Hình chữ nhật với một đường gạch ngang bên trong.
- Rơ-le: Thường có hình chữ nhật với các cuộn dây và tiếp điểm.
- Cuộn dây (Coil): Biểu diễn cho cuộn dây trong rơ-le, van điện từ.
- Đèn (Light Bulb): Hình tròn với dấu “X” bên trong.
- Mô tơ (Motor): Chữ “M” trong vòng tròn.
- Đất (Ground): Thường có dạng các đường kẻ ngang song song hoặc hình tam giác hướng xuống.
3. Xác định Vị trí và Luồng Dòng điện
- Bắt đầu từ nguồn: Thường là ắc quy hoặc máy phát điện. Theo dõi đường dây điện đi từ nguồn đến các bộ phận khác.
- Xác định bộ phận: Trên sơ đồ, mỗi bộ phận sẽ được đặt tên và có thể kèm theo mã số tham chiếu vị trí lắp đặt trên xe.
- Theo dõi các kết nối: Lưu ý các điểm nối dây, các công tắc, cầu chì và rơ-le mà dòng điện đi qua. Sơ đồ sẽ chỉ rõ dây điện đi từ điểm nào đến điểm nào, qua những bộ phận nào.
- Đọc theo luồng: Hiểu rằng dòng điện thường đi từ cực dương (+) của nguồn, qua các thiết bị tiêu thụ điện, đến cực âm (-) hoặc điểm nối đất.
4. Sử dụng Chức năng của Sơ đồ

Có thể bạn quan tâm: Sunroof Deflector Cho Mazda 3 2026: Tăng Cường Trải Nghiệm Lái Xe Và Bảo Vệ Nội Thất
- Chẩn đoán lỗi: Khi một hệ thống điện gặp sự cố, sơ đồ mạch điện là công cụ hữu ích nhất để khoanh vùng nguyên nhân. Ví dụ:
- Nếu một đèn không sáng, bạn cần kiểm tra cầu chì tương ứng, công tắc đèn, dây dẫn đến đèn và bóng đèn. Sơ đồ sẽ chỉ rõ cầu chì nào, dây nào liên quan.
- Nếu một hệ thống không hoạt động, hãy kiểm tra xem nó có nhận đủ điện áp từ nguồn hay không, có tín hiệu điều khiển từ ECU hay không.
- Lắp đặt phụ kiện: Khi lắp đặt các thiết bị điện mới (ví dụ: camera hành trình, cảm biến lùi), sơ đồ mạch điện sẽ giúp bạn xác định nguồn cấp điện phù hợp và cách kết nối an toàn.
- Hiểu về xe: Ngay cả khi không có sự cố, việc dành thời gian nghiên cứu sơ đồ mạch điện cũng giúp bạn có cái nhìn sâu sắc hơn về kỹ thuật phức tạp của chiếc xe mình đang sở hữu.
Các Vấn đề Thường gặp Liên quan đến Mạch điện Mazda 3 và Cách Khắc phục
Với sự phức tạp của hệ thống điện trên Mazda 3, một số vấn đề có thể phát sinh. Hiểu về sơ đồ mạch điện sẽ giúp bạn xử lý chúng một cách hiệu quả hơn.
1. Cầu chì bị cháy
- Nguyên nhân: Thường do quá tải mạch điện, chập điện hoặc hỏng hóc của một bộ phận nào đó.
- Cách khắc phục:
- Xác định cầu chì bị cháy dựa trên vị trí ghi trên sơ đồ hoặc hộp cầu chì.
- Kiểm tra các bộ phận được bảo vệ bởi cầu chì đó để tìm nguyên nhân gây quá tải (ví dụ: dây điện bị hở, bộ phận điện bị chập).
- Thay thế cầu chì bị cháy bằng một cầu chì mới có cùng thông số ampe. TUYỆT ĐỐI KHÔNG thay bằng cầu chì có thông số cao hơn.
- Nếu cầu chì mới bị cháy ngay lập tức, nghĩa là có sự cố nghiêm trọng hơn cần được kiểm tra kỹ lưỡng.
2. Đèn không sáng
- Nguyên nhân: Có thể do bóng đèn cháy, cầu chì hỏng, công tắc đèn lỗi, hoặc đứt dây dẫn.
- Cách khắc phục:
- Kiểm tra bóng đèn, nếu cháy thì thay thế.
- Kiểm tra cầu chì và rơ-le liên quan đến hệ thống đèn trên sơ đồ.
- Kiểm tra công tắc đèn, sử dụng đồng hồ đo điện để xem công tắc có cấp tín hiệu khi bật hay không.
- Dùng sơ đồ để kiểm tra tính liên tục của dây dẫn từ nguồn đến đèn.
3. Hệ thống âm thanh/điều hòa không hoạt động

- Nguyên nhân: Tương tự như đèn, có thể do cầu chì, rơ-le, công tắc điều khiển, hoặc bản thân bộ phận đó bị lỗi.
- Cách khắc phục:
- Luôn bắt đầu bằng việc kiểm tra cầu chì và rơ-le được chỉ định trên sơ đồ mạch điện.
- Kiểm tra nguồn cấp điện đến bộ phận đó bằng đồng hồ đo điện.
- Kiểm tra tín hiệu điều khiển từ các nút bấm hoặc bộ điều khiển trung tâm.
4. Lỗi cảm biến hoặc ECU
- Nguyên nhân: Cảm biến bị hỏng, dây dẫn bị đứt/chập, hoặc bản thân ECU gặp vấn đề. Các lỗi này thường được báo bởi đèn báo lỗi động cơ (Check Engine Light) hoặc các đèn cảnh báo khác trên bảng táp-lô.
- Cách khắc phục:
- Sử dụng máy chẩn đoán OBD-II để đọc mã lỗi. Mã lỗi sẽ cung cấp thông tin ban đầu về cảm biến hoặc hệ thống đang gặp vấn đề.
- Tra cứu mã lỗi trên sơ đồ mạch điện để xác định vị trí của cảm biến, dây dẫn và ECU liên quan.
- Kiểm tra tín hiệu từ cảm biến về ECU, kiểm tra đường dây dẫn và các điểm nối.
- Việc sửa chữa liên quan đến ECU thường đòi hỏi kỹ thuật chuyên sâu và thiết bị chuyên dụng. Trong trường hợp này, tốt nhất là mang xe đến các trung tâm dịch vụ uy tín.
Lời khuyên từ thienminh-autosafety.com
Việc nắm vững sơ đồ mạch điện Mazda 3 là một kỹ năng quý giá, không chỉ giúp bạn tiết kiệm chi phí sửa chữa mà còn mang lại sự tự tin khi làm chủ chiếc xe của mình. Tuy nhiên, cần lưu ý rằng hệ thống điện ô tô rất phức tạp. Khi gặp phải các sự cố nghiêm trọng hoặc bạn không chắc chắn về quy trình thực hiện, hãy luôn tham khảo ý kiến của các kỹ thuật viên chuyên nghiệp. Thông tin từ thienminh-autosafety.com luôn hướng tới việc cung cấp kiến thức hữu ích và chính xác nhất cho người dùng, giúp bạn có những trải nghiệm tốt nhất với chiếc Mazda 3 của mình.
Thông tin hữu ích về thienminh-autosafety.com
thienminh-autosafety.com là một trang web tổng hợp kiến thức đa dạng về nhiều lĩnh vực đời sống, từ công nghệ, sức khỏe, tài chính đến mẹo vặt gia đình và du lịch. Chúng tôi cam kết mang đến cho quý độc giả những nội dung chính xác, đáng tin cậy và dễ tiếp cận. Nếu bạn đang tìm kiếm thông tin chi tiết và chuyên sâu về các vấn đề liên quan đến ô tô, bao gồm cả các khía cạnh kỹ thuật như sơ đồ mạch điện, hoặc các bài đánh giá, so sánh các sản phẩm, dịch vụ khác, hãy ghé thăm thienminh-autosafety.com để khám phá thêm. Chúng tôi luôn cập nhật những thông tin mới nhất và hữu ích nhất để phục vụ cộng đồng.
Cập Nhật Lúc Tháng 4 28, 2026 by Huỳnh Thanh Vi
