Getriebe Toyota Yaris: Tất Cả Những Điều Bạn Cần Biết Về Hộp Số Và Hệ Thống Truyền Động
Giới thiệu chung Toyota Yaris, một trong những mẫu xe hạng B phổ biến nhất [...]
Th5
George Jackson Và Toyota: Hành Trình Đam Mê, Thành Công Và Tầm Ảnh Hưởng Trong Ngành Ô Tô
Lời mở đầu Trong bối cảnh ngành công nghiệp ô tô toàn cầu đang không [...]
Th5
George Borst Toyota: Hành Trình Đột Phá Của Thương Hiệu Ô Tô Đẳng Cấp Tại Việt Nam
1. Giới thiệu chung về George Borst Toyota George Borst Toyota (GBT) không chỉ là [...]
Th5
Genuine Toyota Wheels – Lựa Chọn Hoàn Hảo Cho Hiệu Suất Và An Toàn
1. Giới thiệu chung về bánh xe chính hãng Toyota Trong thế giới ô tô [...]
Th5
Geländewagen Toyota Gebraucht: Hướng Dẫn Chi Tiết Mua Xe Địa Hình Toyota Cũ Đúng Cách
Giới thiệu chung về Geländewagen Toyota Toyota là một trong những thương hiệu ô tô [...]
Th5
Gebruikte Toyota Onderdelen: Hướng Dẫn Toàn Diện Cho Người Mua Và Sử Dụng
1. Giới thiệu chung về thị trường phụ tùng Toyota đã qua sử dụng Toyota [...]
Th5
Gebrauchte Karosserieteile Toyota: Hướng Dẫn Toàn Diện Để Mua Sắm Thông Minh Và Tiết Kiệm
Giới thiệu chung Trong thời đại hiện nay, việc bảo trì và sửa chữa xe [...]
Th5
Hướng Dẫn Toàn Diện Về Gasket Toyota Yaris: Chọn Lựa, Thay Thế Và Bảo Dưỡng Đúng Cách
1. Giới thiệu chung về gasket trong hệ thống động cơ Gasket (đệm cao su, [...]
Th5
Garage Toyota Pontarlier – Địa Chỉ Tin Cậy Cho Mọi Nhu Cầu Xe Toyota Tại Pontarlier
Giới thiệu chung về Garage Toyota Pontarlier Garage Toyota Pontarlier là một trong những đại [...]
Th5
Garage Toyota Ploermel – Địa Chỉ Đáng Tin Cậy Cho Dịch Vụ Sửa Chữa Và Bảo Dưỡng Xe Toyota Tại Ploermel
Giới thiệu chung về Garage Toyota Ploermel Garage Toyota Ploermel là một trong những trung [...]
Th5
Garage Toyota Occasion: Bí Quyết Tối Ưu Hóa Độ Bền Và Hiệu Suất Cho Xe Toyota Cũ
Trong thị trường ô tô Việt Nam, Toyota luôn được xem là “đối thủ nặng [...]
Th5
Garage Toyota Namur – Điểm Đến Tin Cậy Cho Người Yêu Xe Toyota Tại Namur
Giới thiệu chung về Garage Toyota Namur Garage Toyota Namur là một trong những trung [...]
Th5
Garage Toyota Luxembourg – Điểm Dừng Chân Tin Cậy Cho Các Chủ Xe Toyota Tại Luxembourg
1. Giới thiệu chung về Garage Toyota Luxembourg Luxembourg, dù là một quốc gia có [...]
Th5
Garage Toyota Liège – Địa Chỉ Tin Cậy Cho Mọi Nhu Cầu Bảo Dưỡng Và Sửa Chữa Xe Toyota Của Bạn
Giới thiệu chung về Garage Toyota Liège Garage Toyota Liège là một trong những trung [...]
Th5
Garage Toyota Auxerre: Địa Chỉ Đáng Tin Cậy Cho Chủ Xe Toyota Tại Auxerre
Giới thiệu chung về Garage Toyota Auxerre Garage Toyota Auxerre là một trong những trung [...]
Th5
Gara Toyota Q7 – Địa Chỉ Uy Tín Cho Dịch Vụ Bảo Dưỡng, Sửa Chữa Xe Toyota Tại Thành Phố
1. Giới thiệu tổng quan về Gara Toyota Q7 Gara Toyota Q7 là một trong [...]
Th5
Gara Toyota Hcm – Địa Chỉ Uy Tín, Dịch Vụ Chuyên Nghiệp Cho Chủ Xe Toyota Tại Tp.hcm
Giới thiệu tổng quan về gara Toyota HCM Trong bối cảnh thị trường ô tô [...]
Th5
Khám Phá Dòng Xe Suv Toyota: Đa Dạng Mẫu Mã, Công Nghệ Tiên Tiến Và Hiệu Suất Vượt Trội
Giới thiệu chung về dòng SUV Toyota Toyota, một trong những nhà sản xuất ô [...]
Th5
Gamme Toyota Hybride: Đánh Giá Toàn Diện Các Dòng Xe Hybrid Của Toyota Và Lợi Ích Khi Sở Hữu
Toyota luôn được biết đến như một trong những nhà sản xuất ô tô hàng [...]
Th5
Gale Toyota Enfield: Đánh Giá Toàn Diện Và Lý Do Nên Sở Hữu
1. Giới thiệu chung về Gale Toyota Enfield Gale Toyota Enfield, một trong những mẫu [...]
Th5
Gac Toyota Ix4: Câu Chuyện Về Một Siêu Xe Điện Thông Minh Định Hình Tương Lai Ô Tô Việt Nam
1. Giới thiệu chung về GAC Toyota IX4 GAC Toyota IX4 là mẫu SUV điện đầu tiên [...]
Th5
Future Toyota Mirai: Tương Lai Của Xe Hơi Hydro Và Những Đột Phá Công Nghệ
Lời mở đầu Trong những thập kỷ gần đây, vấn đề biến đổi khí hậu [...]
Th5
Furgoneta Toyota Proace: Lựa Chọn Hoàn Hảo Cho Doanh Nghiệp Và Người Dùng Cá Nhân
Giới thiệu chung về Toyota Proace Toyota Proace là một trong những mẫu xe tải [...]
Th5
Fullerton Toyota Repair: Dịch Vụ Sửa Chữa Đáng Tin Cậy Cho Xe Toyota Của Bạn
Giới thiệu tổng quan về Fullerton Toyota Repair Khi sở hữu một chiếc Toyota, việc [...]
Th5
Fujio Và Toyota: Hành Trình Hợp Tác Đột Phá Giữa Hai Ông Lớn Công Nghệ
Giới thiệu chung Trong bối cảnh công nghiệp 4.0 đang diễn ra mạnh mẽ, việc [...]
Th5
Frs Toyota Giá: Tổng Hợp Thông Tin Chi Tiết Về Giá Xe Toyota Frs Năm 2024
1. Giới thiệu chung về Toyota FRS Toyota FRS (Full-Size Rear-wheel drive Sedan) là một [...]
Th5
From Toyota Mr2 – Hành Trình Khám Phá Một Biểu Tượng Thể Thao Đỉnh Cao
Lời mở đầu Trong lịch sử xe thể thao, Toyota MR2 luôn được nhắc đến [...]
Th5
Fremont Toyota Ca: Đánh Giá Toàn Diện Dịch Vụ, Giá Trị Và Trải Nghiệm Khách Hàng
Giới Thiệu Tổng Quan Fremont Toyota, nằm tại thành phố Fremont, California, là một trong [...]
Th5
Freeman Toyota Service – Đối Tác Tin Cậy Cho Mọi Chủ Xe Toyota
Giới thiệu chung về Freeman Toyota Service Freeman Toyota Service là một trong những trung [...]
Th5
Freeman Toyota Hours: Hướng Dẫn Tối Ưu Hợp Tác Và Đổi Mới Trong Thời Đại Số
Giới thiệu Trong bối cảnh công nghiệp ô tô ngày càng chuyển mình mạnh mẽ, [...]
Th5
Freeman Toyota Guy – Hành Trình Đam Mê Và Thành Công Trong Thế Giới Ô Tô
1. Giới thiệu tổng quan Freeman Toyota Guy (FTG) không chỉ là một cái tên [...]
Th5
Freeman Toyota Dallas – Đánh Giá Toàn Diện, Lợi Ích Khi Mua Xe Và Dịch Vụ Hậu Mãi Hàng Đầu
Giới thiệu chung về Freeman Toyota Dallas Freeman Toyota Dallas là một trong những đại [...]
Th5
Khám Phá Chi Tiết Kỹ Thuật Của Khung Xe (frame Specs) Toyota: Từ Lịch Sử Đến Công Nghệ Hiện Đại
Lời mở đầu Trong ngành công nghiệp ô tô, “khung xe” (frame) luôn là một [...]
Th5
Fourtuner Toyota Việt Nam: Đánh Giá Toàn Diện, Lợi Ích, Cách Sử Dụng Và Những Điều Cần Biết
1. Giới thiệu chung về FourTuner Toyota Việt Nam FourTuner là một trong những phần [...]
Th5
Fotos Toyota Etios: Hướng Dẫn Chi Tiết Cách Chụp Ảnh Đẹp, Lưu Trữ Và Sử Dụng Hiệu Quả
Toyota Etios là một trong những mẫu xe compact được ưa chuộng tại thị trường [...]
Th5
Fort Mill Toyota: Địa Chỉ Mua Xe Uy Tín Và Dịch Vụ Hoàn Hảo Cho Người Tiêu Dùng
Giới thiệu chung về Fort Mill Toyota Fort Mill Toyota là một trong những đại [...]
Th5
Fort Bend Toyota: Địa Chỉ Tin Cậy Cho Mọi Nhu Cầu Mua Xe Và Dịch Vụ Ô Tô Tại Texas
Giới thiệu chung về Fort Bend Toyota Fort Bend Toyota là một trong những đại [...]
Th5
Forlitf Toyota 52-8fd20: Đánh Giá Toàn Diện, Lợi Ích Và Ứng Dụng Trong Thị Trường Ô Tô Hiện Đại
Giới thiệu chung Trong bối cảnh ngành công nghiệp ô tô ngày càng phát triển [...]
Th5
Forklift Toyota 7fdk40: Đánh Giá Toàn Diện Và Hướng Dẫn Sử Dụng Hiệu Quả
Giới thiệu chung Forklift Toyota 7FDK40 là một trong những mẫu xe nâng công nghiệp [...]
Th5
Forklift Toyota 7fd25 – Giải Pháp Vận Chuyển Vật Tải Hiệu Quả Cho Doanh Nghiệp Hiện Đại
1. Giới thiệu tổng quan về Forklift Toyota 7FD25 Forklift Toyota 7FD25 là một trong [...]
Th5
Forklift Toyota 52-8fd20: Đánh Giá Toàn Diện, So Sánh, Ứng Dụng Và Lợi Ích Khi Sở Hữu
I. Giới thiệu chung về dòng Forklift Toyota 52-8FD20 Forklift Toyota là một trong những [...]
Th5
Forklift Toyota 2fd135: Đánh Giá Toàn Diện Và Hướng Dẫn Lựa Chọn Cho Doanh Nghiệp
1. Giới thiệu chung về dòng Forklift Toyota 2FD135 Forklift (xe nâng) Toyota là một [...]
Th5
Forklift Toyota 20-2fd135: Đánh Giá Toàn Diện Và Hướng Dẫn Lựa Chọn
1. Giới thiệu chung về dòng Forklift Toyota 20-2FD135 Forklift (xe nâng) là một trong [...]
Th5
Ford Vs Toyota: Cuộc Đối Đầu Giữa Hai Gã Khổng Lồ Ô Tô Thế Giới
Giới thiệu chung Trong lịch sử công nghiệp ô tô, hai tên tuổi Ford và [...]
Th5
Font Toyota Highlander: Khám Phá Kiểu Chữ, Thiết Kế Và Ứng Dụng Trong Thế Giới Đồ Họa
Giới thiệu chung về font Toyota Highlander Trong thời đại mà thương hiệu không chỉ [...]
Th5
Font Chữ Toyota: Lịch Sử, Đặc Điểm Và Ứng Dụng Trong Thiết Kế Thương Hiệu
Giới thiệu chung Trong thế giới thiết kế thương hiệu, việc lựa chọn một bộ [...]
Th5
Flakkåpa Toyota Hilux: Bí Quyết Nâng Cấp Xe Tải Mạnh Mẽ Cho Mọi Hành Trình
Giới thiệu tổng quan về Flakkåpa và Toyota Hilux Flakkåpa, một trong những thương hiệu [...]
Th5
Five Star Toyota – Hành Trình Đột Phá Và Đột Đổi Trong Ngành Ô Tô
1. Giới thiệu chung về Five Star Toyota Five Star Toyota không chỉ là một [...]
Th5
Fitzgerald Lakeforest Toyota: Địa Chỉ Tin Cậy Cho Người Yêu Xe Hơi Tại Lake Forest
Giới Thiệu Chung Về Fitzgerald Lakeforest Toyota Fitzgerald Lakeforest Toyota không chỉ là một đại [...]
Th5
Fish Brothers Toyota – Hành Trình Độc Đáo Từ Đam Mê Cá Đánh Đến Thế Giới Ô Tô
Mở Đầu: Khi Đam Mê Cá Gặp Gỡ Đam Mê Xe Hơi Trong thế giới [...]
Th5
Findlay Toyota Parts – Hướng Dẫn Toàn Diện Để Mua Và Sử Dụng Phụ Tùng Toyota Tại Findlay
Giới thiệu chung Khi sở hữu một chiếc Toyota, việc bảo dưỡng, sửa chữa và [...]
Th5
Cách Tìm Kiếm, Mua Và Sở Hữu Toyota Venza: Hướng Dẫn Chi Tiết Cho Người Việt
1. Giới thiệu chung về Toyota Venza Toyota Venza là một mẫu crossover SUV hạng [...]
Th5
Financement Toyota Occasion : Hướng Dẫn Toàn Diện Để Sở Hữu Chiếc Xe Mơ Ước
Giới thiệu chung Toyota luôn là một trong những thương hiệu ô tô được ưa [...]
Th5
Fernelius Toyota Cheboygan: Câu Chuyện Thành Công Và Tầm Ảnh Hưởng Đối Với Cộng Đồng
1. Giới thiệu chung Fernelius Toyota Cheboygan không chỉ là một đại lý xe hơi [...]
Th5
Fastest Toyota Sedan: Đánh Giá Chi Tiết Các Mẫu Xe Sedan Nhanh Nhất Của Toyota
Giới thiệu tổng quan Toyota, một trong những thương hiệu ô tô hàng đầu thế [...]
Th5
Dịch Vụ Gia Đình Toyota: Bí Quyết Giữ Xe An Toàn, Tiết Kiệm Và Thân Thiện Với Mọi Thành Viên
Giới thiệu chung Trong thời đại hiện đại, chiếc xe ô tô không chỉ là [...]
Th5
Dịch Vụ Bảo Dưỡng Và Sửa Chữa Toyota Tại Fairfax: Lợi Ích, Quy Trình Và Lời Khuyên Cho Chủ Xe
I. Giới thiệu tổng quan về Fairfax Toyota Service Fairfax, một trong những khu vực [...]
Th5
Fairfax Toyota Dealer – Địa Chỉ Tin Cậy Cho Người Yêu Xe Toyota Tại Fairfax
Giới Thiệu Tổng Quan Về Fairfax Toyota Dealer Fairfax Toyota Dealer không chỉ là một [...]
Th5
Expressway Toyota Miami: Hành Trình Trải Nghiệm Đỉnh Cao Cùng Toyota Trên Đường Cao Tốc Miami
Giới thiệu tổng quan về Expressway Toyota Miami Expressway Toyota Miami không chỉ là một [...]
Th5
Sự Kiện Toyota Nhạc: Khám Phá Cảm Hứng, Tương Lai & Đam Mê Đam Mê Trên Đường
Trong thời đại mà công nghệ và âm nhạc ngày càng hòa quyện vào đời [...]
Th5
Evaporator Toyota Yaris: Tất Cả Những Điều Bạn Cần Biết Về Hệ Thống Điều Hoà Không Khí Và Cách Bảo Dưỡng
1. Giới thiệu chung về evaporator trong hệ thống điều hòa Toyota Yaris Evaporator (bộ [...]
Th5
Ev Toyota Concept: Tầm Nhìn, Thiết Kế Và Tương Lai Của Xe Điện Toyota
1. Giới thiệu chung về chiến lược điện hoá của Toyota Trong bối cảnh ngành [...]
Th5
Eu Kontroll Toyota: Hướng Dẫn Toàn Diện Về Kiểm Định Xe Toyota Trong Liên Minh Châu Âu
Giới thiệu chung Khi mua một chiếc xe Toyota đã qua sử dụng hoặc chuẩn [...]
Th5
Estate Cars Toyota: Đánh Giá Toàn Diện Các Mẫu Xe Cố Định (estate) Của Toyota Và Lý Do Bạn Nên Sở Hữu
Giới thiệu chung về phân khúc estate Trong những năm qua, phân khối estate (còn [...]
Th5
Essai Toyota Tourer: Đánh Giá Toàn Diện Về Độ Thông Thái, Hiệu Suất Và Trải Nghiệm Lái Xe
Giới thiệu chung Toyota Tourer, một trong những mẫu SUV cỡ trung vừa mới được [...]
Th5
Essai Toyota Chr: Đánh Giá Toàn Diện Từ Thiết Kế Đến Trải Nghiệm Lái
Giới thiệu chung Toyota CHR (Coupe High-Rider) là mẫu crossover compact được ra mắt lần [...]
Th5
Esp Automotive Toyota: Công Nghệ An Toàn Đỉnh Cao Cho Xe Ô Tô Hiện Đại
1. Giới thiệu tổng quan về ESP và tầm quan trọng trong ngành công nghiệp [...]
Th5
Ernie Boch Toyota: Câu Chuyện Thành Công Và Những Bước Tiến Đột Phá Trong Ngành Ô Tô
1. Giới thiệu chung về Ernie Boch và Toyota Ernie Boch không chỉ là một [...]
Th5
Erin Park Toyota – Điểm Đến Tin Cậy Cho Người Yêu Xe Hơi Và Đam Mê Ô Tô
Giới Thiệu Chung Về Erin Park Toyota Erin Park Toyota là một trong những đại [...]
Th5
Epc Toyota Lexus: Giải Pháp Chẩn Đoán Và Sửa Chữa Hiện Đại Cho Các Dòng Xe Toyota & Lexus
Giới thiệu chung về EPC và tầm quan trọng trong việc bảo dưỡng xe Toyota, [...]
Th5
Epc 2019 Toyota: Đánh Giá Toàn Diện Và Những Điểm Nổi Bật Của Hệ Thống Điều Khiển Động Cơ Thế Hệ Mới
Giới thiệu chung về EPC và vai trò của nó trong ngành công nghiệp ô [...]
Th5
England Toyota 1929: Hành Trình Đầu Tiên Của Toyota Tại Anh Và Những Bài Học Lịch Sử
1. Giới thiệu chung Năm 1929, một trong những dấu mốc quan trọng trong lịch [...]
Th5
Động Cơ Toyota Zace: Đánh Giá Toàn Diện, Công Nghệ, Hiệu Suất Và Ứng Dụng
1. Giới thiệu chung về dòng động cơ ZACE Trong danh mục các động cơ [...]
Th5
Động Cơ Toyota 5m: Đặc Điểm Kỹ Thuật, Ứng Dụng Và Bảo Dưỡng Chi Tiết
1. Giới thiệu tổng quan về dòng động cơ 5M Động cơ Toyota 5M là [...]
Th5
Động Cơ Toyota 13t: Đánh Giá Toàn Diện, Công Nghệ, Hiệu Suất Và Ứng Dụng
Giới thiệu chung Trong thế giới công nghiệp ô tô, động cơ Toyota 13T đã [...]
Th5
Động Cơ 3s-fe Của Toyota: Lịch Sử, Đặc Điểm Kỹ Thuật Và Ứng Dụng Thực Tế
1. Giới thiệu tổng quan Động cơ 3S-FE là một trong những chiếc động cơ [...]
Th5
Empilhador Toyota Elétrico: Giải Pháp Vận Chuyển Hiện Đại Cho Doanh Nghiệp
1. Giới thiệu tổng quan về empilhador Toyota điện Trong thời đại công nghiệp 4.0, [...]
Th5
Empilhadeira Toyota Peças: Guia Completo Para Manutenção, Compra E Sustentabilidade
Introdução As empilhadeiras são equipamentos essenciais em diversos setores, como logística, indústria, comércio e agronegócio. [...]
Th5
Empilhadeira Toyota Nova: Guia Completo Para Escolha, Operação E Manutenção
Introdução A empilhadeira é um equipamento essencial em diversos setores industriais, logísticos e comerciais. Entre [...]
Th5
Empilhadeira Toyota Manual: Guia Completo Para Escolha, Operação E Manutenção
1. Introdução A empilhadeira manual da Toyota tem se consolidado como uma das soluções mais [...]
Th5
Empilhadeira Elétrica Toyota: Giải Pháp Hoàn Hảo Cho Năng Suất Và Bảo Vệ Môi Trường Trong Kho Vận
Giới thiệu chung về empilhadeira elétrica Toyota Trong bối cảnh công nghiệp ngày càng đòi [...]
Th5
Elmore Toyota Parts – Đối Tác Uy Tín Cho Các Chủ Xe Toyota Tại Việt Nam
Giới thiệu chung về Elmore Toyota Parts Elmore Toyota Parts (ETP) là một trong những [...]
Th5
Elgin Toyota Repair – Hướng Dẫn Toàn Diện Về Dịch Vụ Sửa Chữa Toyota Tại Elgin
Giới thiệu chung Toyota là một trong những thương hiệu ô tô được ưa chuộng [...]
Th5
Elektrische Pallettruck Toyota: Giải Pháp Vận Chuyển Nội Bộ Hiệu Quả Cho Doanh Nghiệp Hiện Đại
1. Giới thiệu chung về pallettruck điện Toyota Trong thời đại công nghiệp 4.0, việc [...]
Th5
Electric Toyota Fj-40: Câu Chuyện Về Biểu Tượng Của Sự Kết Hợp Giữa Công Nghệ Điện Và Di Sản Off‑road
Giới thiệu tổng quan Trong những năm gần đây, xu hướng điện hoá đã lan [...]
Th5
So Sánh Hyundai Elantra, Mazda Và Toyota: Lựa Chọn Nào Phù Hợp Nhất Cho Bạn?
Giới thiệu chung Thị trường ô tô Việt Nam hiện nay đang chứng kiến sự [...]
Th5
El Monte Toyota – Địa Chỉ Đáng Tin Cậy Cho Người Yêu Xe Toyota Tại California
Giới thiệu tổng quan về El Monte Toyota El Monte Toyota là một trong những [...]
Th5
Ekman’s Maskin Toyota: Đột Phá Công Nghệ Xe Hơi Toyota Được Phát Triển Bởi Ekman’s Maskin
Giới thiệu chung về Ekman’s Maskin và mối quan hệ hợp tác với Toyota Ekman’s [...]
Th5
Ekiden 2019 Toyota: Hành Trình Kỷ Niệm, Thử Thách Và Cảm Hứng Của Cuộc Đua Marathon Đội
Giới thiệu chung về Ekiden và ý nghĩa của sự kiện Ekiden, một hình thức [...]
Th5
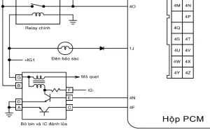
Ecu Từ Toyota: Hiểu Biết Sâu Rộng Về Bộ Điều Khiển Động Cơ Và Ứng Dụng Trong Động Cơ Xe Ô Tô Hiện Đại
1. Giới thiệu chung về ECU ECU (Engine Control Unit) – còn được gọi là [...]
Th5
Ect Toyota Camry: Đánh Giá Toàn Diện, Lợi Ích, Bảo Dưỡng Và Những Lưu Ý Khi Sở Hữu Xe
1. Giới thiệu chung về ECT và Toyota Camry ECT (Electronic Control Transmission) là công [...]
Th5
Ecm Toyota Corolla: Tất Tần Tật Về Hệ Thống Điều Khiển Động Cơ (ecm) Và Cách Bảo Dưỡng, Sửa Chữa, Nâng Cấp
1. Giới thiệu tổng quan về ECM trong Toyota Corolla ECM (Engine Control Module) – [...]
Th5
Ebd Trên Toyota: Tìm Hiểu Chi Tiết, Nguyên Lý Hoạt Động Và Lợi Ích Cho Người Lái
1. Giới thiệu chung về EBD EBD (Electronic Brakeforce Distribution) – hay còn gọi là [...]
Th5
Khám Phá Xe Supra Toyota Trên Ebay: Cách Tìm Kiếm, Mua Bán Và Đánh Giá Độ Tin Cậy
1. Giới thiệu chung về Toyota Supra và eBay Toyota Supra – một trong những [...]
Th5
East Madison Toyota: Địa Chỉ Tin Cậy Cho Người Yêu Xe Toyota Tại Madison
Giới thiệu chung về East Madison Toyota East Madison Toyota (EMT) là một trong những [...]
Th5
Earl Stewart Toyota: Câu Chuyện Thành Công Và Tầm Ảnh Hưởng Trong Ngành Ô Tô Việt Nam
Giới thiệu chung Earl Stewart Toyota (EST) không chỉ là một đại lý bán lẻ [...]
Th5
E Toyota One – Đột Phá Công Nghệ Ô Tô Điện Thông Minh Cho Thế Hệ Mới
1. Giới thiệu chung về e Toyota One Trong bối cảnh ngành công nghiệp ô [...]
Th5
E‑kanban Toyota: Cách Mạng Hóa Quản Lý Sản Xuất Trong Kỷ Nguyên Số
1. Giới thiệu chung về Kanban và sự chuyển đổi số Kanban, một trong những [...]
Th5
Dầu Atf Toyota: Lựa Chọn Hoàn Hảo Cho Hệ Thống Truyền Động Xe Hơi
Giới thiệu chung về dầu ATF và tầm quan trọng đối với xe Toyota Dầu [...]
Th5
