Việc tìm kiếm phụ tùng Mazda chính hãng (OEM) là ưu tiên hàng đầu cho bất kỳ chủ xe nào mong muốn duy trì hiệu suất và độ bền bỉ cho xế yêu. Dù bạn cần thay thế một bộ phận hao mòn, tìm kiếm theo mã phụ tùng cụ thể hay sử dụng số VIN để đảm bảo tính tương thích tuyệt đối, việc lựa chọn đúng nguồn cung là yếu tố then chốt. Bài viết này sẽ cung cấp cho bạn những thông tin chi tiết về tầm quan trọng của phụ tùng chính hãng và hướng dẫn cách mua sắm đáng tin cậy.
Để đảm bảo chiếc Mazda của bạn luôn vận hành trơn tru và an toàn trên mọi nẻo đường, việc trang bị những linh kiện phù hợp là điều không thể thiếu. Chúng tôi sẽ khám phá những lợi ích thiết thực khi ưu tiên sử dụng phụ tùng OEM và cung cấp danh sách các nhà cung cấp uy tín, mang đến cho bạn trải nghiệm mua sắm tiện lợi và an tâm nhất.
Phụ Tùng Mazda Chính Hãng (OEM): Tại Sao Cần Sử Dụng?
Tổng quan nội dung
- 1 Phụ Tùng Mazda Chính Hãng (OEM): Tại Sao Cần Sử Dụng?
- 2 Hướng Dẫn Tìm Kiếm & Mua Phụ Tùng Mazda Online
- 3 Top Các Địa Chỉ Mua Phụ Tùng Mazda Uy Tín
- 4 Phụ Tùng Cho Các Dòng Xe Mazda Phổ Biến
- 5 Các Yếu Tố Cần Cân Nhắc Khi Lựa Chọn Phụ Tùng Mazda
- 6 Câu hỏi thường gặp
- 7 Lưu ý quan trọng: Nội dung bài viết này chỉ mang tính chất tham khảo và cung cấp thông tin chung. Đây không phải lời khuyên chuyên nghiệp. Mọi quyết định quan trọng liên quan đến phương tiện giao thông của bạn nên được thực hiện sau khi tham khảo ý kiến trực tiếp từ các chuyên gia kỹ thuật hoặc đại diện dịch vụ có chuyên môn phù hợp.
Việc lựa chọn phụ tùng chính hãng cho chiếc xe Mazda của bạn không chỉ đơn thuần là một vấn đề về thương hiệu, mà còn là yếu tố then chốt quyết định đến hiệu suất vận hành, độ bền và sự an toàn lâu dài. Phụ tùng OEM (Original Equipment Manufacturer) là những linh kiện được sản xuất bởi hoặc theo tiêu chuẩn của chính nhà sản xuất xe, đảm bảo sự tương thích hoàn hảo với thiết kế và thông số kỹ thuật ban đầu của xe.
Tầm Quan Trọng Của Phụ Tùng Chính Hãng Đối Với Xe Mazda
Sử dụng phụ tùng chính hãng Mazda mang lại nhiều lợi ích vượt trội so với các loại phụ tùng thay thế không rõ nguồn gốc hoặc kém chất lượng. Trước hết, phụ tùng OEM được thiết kế và sản xuất với quy trình kiểm soát chất lượng nghiêm ngặt, đảm bảo độ bền bỉ, khả năng chịu tải và hiệu suất hoạt động tối ưu, đúng như kỳ vọng của nhà sản xuất. Điều này giúp xe Mazda của bạn vận hành êm ái, tiết kiệm nhiên liệu và giảm thiểu nguy cơ hỏng hóc đột ngột.
Hơn nữa, việc lắp đặt phụ tùng chính hãng còn giúp bảo toàn tính nguyên bản của xe, duy trì các tiêu chuẩn an toàn đã được kiểm định và có thể ảnh hưởng tích cực đến giá trị bán lại của xe trong tương lai. Khi một bộ phận bị lỗi, việc thay thế bằng một linh kiện OEM chính xác sẽ đảm bảo xe hoạt động trở lại như trạng thái ban đầu, không gây ra các vấn đề phát sinh cho các hệ thống khác.
Lợi Ích Khi Mua Phụ Tùng Mazda Từ Các Nguồn Đáng Tin Cậy
Mua phụ tùng Mazda từ các nguồn đáng tin cậy mang lại sự yên tâm và bảo đảm về chất lượng sản phẩm. Các nhà cung cấp uy tín thường có quy trình kiểm soát hàng hóa chặt chẽ, cam kết về nguồn gốc xuất xứ rõ ràng và cung cấp chính sách bảo hành minh bạch. Khi mua sắm tại những địa điểm này, bạn có thể tin tưởng rằng mình đang nhận được những linh kiện chính hãng, được kiểm định chất lượng và phù hợp với yêu cầu kỹ thuật của xe.
Bên cạnh đó, các nguồn cung cấp đáng tin cậy còn thường có đội ngũ nhân viên tư vấn chuyên nghiệp, am hiểu về các dòng xe Mazda và phụ tùng, sẵn sàng hỗ trợ bạn trong việc xác định đúng mã phụ tùng cần thiết hoặc đưa ra lời khuyên hữu ích dựa trên tình trạng xe của bạn. Điều này đặc biệt quan trọng khi bạn không có kinh nghiệm về kỹ thuật xe hơi, giúp bạn tránh được những sai lầm tốn kém và đảm bảo quá trình sửa chữa, bảo dưỡng diễn ra suôn sẻ.
Hướng Dẫn Tìm Kiếm & Mua Phụ Tùng Mazda Online

Có thể bạn quan tâm: Đại Lý Mazda New York: Tìm Xe & Dịch Vụ Uy Tín
Thế giới kỹ thuật số mang đến sự tiện lợi vượt trội trong việc tìm kiếm và mua sắm phụ tùng Mazda, cho phép bạn tiếp cận hàng hóa từ khắp nơi trên thế giới. Tuy nhiên, để quá trình này diễn ra suôn sẻ và bạn nhận được đúng sản phẩm mong muốn, việc nắm vững các phương pháp tìm kiếm và lưu ý quan trọng là điều cần thiết.
Tìm Kiếm Theo Tên Phụ Tùng Hoặc Mã Phụ Tùng
Phương pháp tìm kiếm phổ biến nhất khi mua phụ tùng ô tô trực tuyến là sử dụng tên phụ tùng hoặc mã phụ tùng cụ thể. Nếu bạn đã biết tên gọi của bộ phận cần thay thế (ví dụ: “má phanh trước Mazda 3”, “bộ lọc gió động cơ CX-5”), bạn có thể nhập trực tiếp vào ô tìm kiếm của các trang web bán phụ tùng. Tuy nhiên, để đạt được độ chính xác cao nhất, việc sử dụng mã phụ tùng (part number) là phương pháp tối ưu. Mã phụ tùng là một chuỗi ký tự và số duy nhất do nhà sản xuất gán cho từng bộ phận. Bạn có thể tìm mã này trên bộ phận cũ, trong sổ tay hướng dẫn sử dụng xe hoặc thông qua các catalog phụ tùng trực tuyến.
Sử Dụng Số VIN Để Xác Định Phụ Tùng Chính Xác
Số VIN (Vehicle Identification Number) là một mã số định danh duy nhất gồm 17 ký tự, chứa đựng tất cả thông tin về chiếc xe của bạn, từ nhà sản xuất, năm sản xuất, loại động cơ cho đến các tùy chọn trang bị. Khi mua phụ tùng online, việc cung cấp số VIN của xe cho người bán là cách hiệu quả nhất để đảm bảo bạn nhận được bộ phận hoàn toàn tương thích. Nhiều trang web bán phụ tùng cho phép bạn nhập số VIN để tra cứu trực tiếp các linh kiện phù hợp với xe của mình, loại bỏ hoàn toàn rủi ro mua sai phụ tùng do nhầm lẫn về đời xe, phiên bản hoặc các tùy chọn khác.
Khám Phá Catalog Phụ Tùng Mazda Chi Tiết
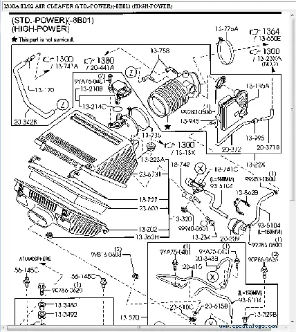
Các nhà cung cấp phụ tùng uy tín thường cung cấp các catalog điện tử chi tiết, cho phép bạn duyệt qua từng danh mục phụ tùng theo sơ đồ lắp ráp của xe. Những catalog này thường đi kèm với hình ảnh minh họa, mã phụ tùng, tên gọi và đôi khi là cả sơ đồ tháo lắp (diagrams), giúp bạn hình dung rõ ràng vị trí và cách thức hoạt động của từng bộ phận. Việc tham khảo catalog không chỉ giúp bạn tìm đúng sản phẩm mà còn mang lại cái nhìn tổng quan về hệ thống cấu tạo của xe, hỗ trợ đắc lực cho quá trình bảo dưỡng và sửa chữa.
Các Lưu Ý Khi Đặt Hàng Online
Khi đặt hàng phụ tùng Mazda trực tuyến, bạn cần lưu ý một số yếu tố quan trọng để đảm bảo giao dịch diễn ra suôn sẻ và an toàn. Đầu tiên, hãy kiểm tra kỹ thông tin sản phẩm, bao gồm mã phụ tùng, mô tả, hình ảnh và các thông số kỹ thuật đi kèm. Đảm bảo rằng thông tin này khớp hoàn toàn với nhu cầu của bạn và loại xe Mazda bạn đang sở hữu. Thứ hai, hãy tìm hiểu về chính sách vận chuyển, thời gian giao hàng dự kiến và chi phí phát sinh (bao gồm thuế nhập khẩu nếu mua từ nước ngoài).
Tiếp theo, hãy đọc kỹ chính sách đổi trả của người bán. Trong trường hợp nhận sai hàng, hàng bị lỗi hoặc không tương thích, bạn cần biết quy trình và thời hạn để được hỗ trợ đổi hoặc hoàn tiền. Cuối cùng, hãy lựa chọn các nhà cung cấp có đánh giá tốt từ cộng đồng người dùng và có các phương thức thanh toán an toàn, minh bạch. Ưu tiên các trang web có kết nối bảo mật (HTTPS) và cung cấp nhiều tùy chọn thanh toán khác nhau như thẻ tín dụng, PayPal hoặc chuyển khoản ngân hàng.
Top Các Địa Chỉ Mua Phụ Tùng Mazda Uy Tín

Có thể bạn quan tâm: Đại Lý Mazda New York: Tìm Xe Mới & Cũ
Việc tìm được một địa chỉ mua sắm đáng tin cậy đóng vai trò quan trọng trong việc đảm bảo chất lượng phụ tùng và sự hài lòng của khách hàng. Dưới đây là danh sách một số website quốc tế nổi tiếng chuyên cung cấp phụ tùng Mazda, với các dịch vụ đa dạng và phạm vi giao hàng rộng khắp.
PartSouq — Website và Dịch Vụ
PartSouq là một trong những nền tảng trực tuyến hàng đầu chuyên cung cấp phụ tùng chính hãng cho nhiều dòng xe, trong đó có Mazda. Website này nổi bật với kho dữ liệu khổng lồ về các mã phụ tùng OEM, cho phép người dùng tìm kiếm sản phẩm dựa trên mã phụ tùng, số VIN hoặc tra cứu qua catalog chi tiết theo sơ đồ lắp ráp. PartSouq thường có sẵn các phụ tùng cho các thị trường khác nhau, bao gồm cả các linh kiện đặc thù cho xe Mazda nhập khẩu.
Dịch vụ của PartSouq được đánh giá cao về tính chuyên nghiệp, khả năng xử lý đơn hàng nhanh chóng và quy trình vận chuyển quốc tế hiệu quả. Họ cung cấp thông tin chi tiết về sản phẩm, bao gồm hình ảnh, mã phụ tùng và đôi khi cả các tùy chọn thay thế tương đương. Với giao diện thân thiện và công cụ tìm kiếm mạnh mẽ, PartSouq là điểm đến lý tưởng cho những ai tìm kiếm phụ tùng Mazda với sự đảm bảo về nguồn gốc và chất lượng.
MazdaUSA Parts & Mazda Parts Online — Nguồn Chính Hãng
MazdaUSA Parts và Mazda Parts Online là các nguồn cung cấp phụ tùng chính hãng trực tiếp từ các đại lý được ủy quyền hoặc các nhà phân phối chính thức của Mazda tại thị trường Bắc Mỹ. Khi mua sắm qua các kênh này, người dùng có thể hoàn toàn yên tâm về tính chính xác và chất lượng của từng linh kiện. Các website này thường cho phép tra cứu phụ tùng dựa trên số VIN, giúp đảm bảo sự tương thích tuyệt đối với dòng xe Mazda cụ thể của bạn.
Các kênh này nổi bật với danh mục phụ tùng đầy đủ, từ các bộ phận cơ bản như lọc gió, má phanh, dầu nhớt cho đến các chi tiết phức tạp của hệ thống động cơ, khung gầm hay nội thất. Dịch vụ khách hàng tại đây thường rất chuyên nghiệp, hỗ trợ nhiệt tình trong việc tìm kiếm và tư vấn sản phẩm. Mặc dù tập trung chủ yếu vào thị trường Mỹ, nhiều đại lý hoặc nhà phân phối có thể hỗ trợ vận chuyển quốc tế hoặc cung cấp thông tin để bạn tìm kiếm đại lý gần nhất.
OEMPartsonline.com — Catalog Toàn Diện
OEMPartsonline.com là một địa chỉ uy tín khác chuyên cung cấp phụ tùng chính hãng cho nhiều thương hiệu xe, bao gồm cả Mazda. Điểm mạnh nổi bật của website này là hệ thống catalog phụ tùng cực kỳ toàn diện, được tổ chức một cách khoa học và dễ tra cứu. Người dùng có thể dễ dàng tìm thấy sơ đồ lắp ráp chi tiết của từng bộ phận trên xe Mazda, kèm theo mã phụ tùng và mô tả rõ ràng.
Website này hỗ trợ tìm kiếm theo mã phụ tùng, tên phụ tùng hoặc thông qua việc nhập số VIN. Họ tập trung vào việc cung cấp các linh kiện OEM chính hãng, đảm bảo chất lượng và độ bền. OEMPartsonline.com cũng thường có các tùy chọn vận chuyển quốc tế, mang đến sự tiện lợi cho khách hàng ở nhiều quốc gia khác nhau. Việc tham khảo catalog trên OEMPartsonline.com là một cách hiệu quả để bạn tự mình xác định và lựa chọn đúng phụ tùng mình cần.
Amayama.com — Giá Sỉ & Giao Hàng Nhanh

Có thể bạn quan tâm: Liverpool Mazda: Đại Lý Xe Mazda Uy Tín Tại Nsw
Amayama.com là một nền tảng thương mại điện tử quốc tế chuyên cung cấp phụ tùng ô tô, bao gồm cả các linh kiện chính hãng cho xe Mazda. Điểm thu hút lớn nhất của Amayama là khả năng cung cấp phụ tùng với mức giá cạnh tranh, thường được xem là giá sỉ khi mua số lượng lớn hoặc đối với các đại lý. Website này có khả năng truy cập vào kho hàng rộng lớn từ nhiều nhà phân phối và đại lý trên toàn cầu.
Amayama nổi bật với quy trình đặt hàng đơn giản, thời gian xử lý và giao hàng tương đối nhanh chóng, đặc biệt khi so sánh với các phương thức nhập khẩu truyền thống. Họ hỗ trợ tìm kiếm phụ tùng theo mã, theo số VIN và cung cấp thông tin chi tiết về sản phẩm. Mặc dù không trực tiếp là đại lý Mazda, Amayama đóng vai trò là cầu nối hiệu quả, giúp người dùng tiếp cận phụ tùng chính hãng với mức giá tốt và dịch vụ vận chuyển đáng tin cậy.
Phụ Tùng Cho Các Dòng Xe Mazda Phổ Biến
Mỗi dòng xe Mazda đều có những đặc thù riêng về thiết kế và cấu trúc, đòi hỏi các loại phụ tùng tương ứng để đảm bảo hiệu suất và sự đồng bộ. Việc hiểu rõ nhu cầu phụ tùng cho từng dòng xe phổ biến sẽ giúp bạn lựa chọn sản phẩm phù hợp và hiệu quả nhất.
Phụ Tùng Cho Mazda CX-5
Mazda CX-5 là một mẫu SUV rất được ưa chuộng trên thị trường, nổi bật với thiết kế KODO tinh tế và công nghệ Skyactiv vận hành hiệu quả. Các phụ tùng cho CX-5 bao gồm các bộ phận liên quan đến động cơ Skyactiv-G hoặc Skyactiv-D, hệ thống treo, phanh, hệ thống lái và các chi tiết ngoại thất, nội thất. Các phụ tùng thường được tìm kiếm nhiều nhất bao gồm lọc gió động cơ, lọc gió điều hòa, má phanh, đĩa phanh, bugi, cảm biến oxy, và các bộ phận hao mòn khác.
Phụ Tùng Cho Mazda3
Mazda3, với thiết kế thể thao và cảm giác lái linh hoạt, cũng là một lựa chọn phổ biến. Các phụ tùng cho Mazda3 tập trung vào các bộ phận động cơ xăng Skyactiv-G, hệ thống truyền động, hệ thống lái, hệ thống treo và các chi tiết điện tử. Một số phụ tùng phổ biến mà chủ xe Mazda3 thường quan tâm bao gồm lọc dầu, dầu động cơ, má phanh, gioăng quy-láp, cảm biến tốc độ, và các chi tiết ngoại thất như đèn pha, đèn hậu.
Phụ Tùng Cho Mazda MX-5
Mazda MX-5 (hay còn gọi là Miata) là biểu tượng của dòng xe thể thao mui trần, chú trọng vào trải nghiệm lái thuần túy. Các phụ tùng cho MX-5 thường liên quan đến động cơ dung tích nhỏ, hệ thống treo thể thao, phanh hiệu suất cao và cấu trúc khung gầm nhẹ. Các linh kiện như lọc gió hiệu suất cao, hệ thống xả tùy chỉnh, bộ giảm chấn, má phanh thể thao, và các chi tiết ngoại thất độc đáo là những mặt hàng được cộng đồng người chơi MX-5 ưa chuộng.

Có thể bạn quan tâm: Đại Lý Mazda Greenwood In: Tìm Xe Mới & Cũ Chất Lượng
Các Yếu Tố Cần Cân Nhắc Khi Lựa Chọn Phụ Tùng Mazda
Việc lựa chọn phụ tùng Mazda không chỉ dừng lại ở việc tìm đúng mã sản phẩm. Để đảm bảo hiệu quả, độ bền và sự an toàn tối ưu cho xe, bạn cần xem xét nhiều yếu tố khác nhau, từ nguồn gốc, chất lượng đến chính sách hậu mãi.
Phân Biệt Phụ Tùng Chính Hãng và Phụ Tùng Thay Thế
Phụ tùng chính hãng (OEM) được sản xuất theo tiêu chuẩn của Mazda, đảm bảo sự tương thích và hiệu suất hoạt động như ban đầu. Ngược lại, phụ tùng thay thế (Aftermarket parts) được sản xuất bởi các công ty độc lập và có thể có chất lượng, độ bền hoặc tính năng khác biệt. Một số phụ tùng thay thế có thể có giá rẻ hơn hoặc thậm chí cải tiến hơn so với OEM, nhưng cũng có nhiều loại kém chất lượng, tiềm ẩn rủi ro gây hại cho xe. Việc phân biệt rõ ràng hai loại này, tìm hiểu kỹ về nhà sản xuất phụ tùng thay thế và đọc các đánh giá từ người dùng là rất quan trọng.
Đánh Giá Độ Tin Cậy Của Nhà Cung Cấp
Khi mua phụ tùng Mazda, đặc biệt là qua các kênh trực tuyến, việc đánh giá độ tin cậy của nhà cung cấp là vô cùng cần thiết. Hãy tìm kiếm thông tin về lịch sử hoạt động của nhà cung cấp, các đánh giá và phản hồi từ khách hàng trước đó. Các nhà cung cấp uy tín thường có chính sách minh bạch về nguồn gốc sản phẩm, thông tin liên hệ rõ ràng, và sẵn sàng giải đáp mọi thắc mắc của khách hàng. Tránh các nhà cung cấp có thông tin sơ sài, không rõ ràng về nguồn gốc hàng hóa hoặc có quá nhiều đánh giá tiêu cực.
Chính Sách Vận Chuyển & Đổi Trả
Chính sách vận chuyển và đổi trả là những yếu tố quan trọng cần xem xét khi mua phụ tùng online, đặc biệt là khi mua từ các nhà cung cấp quốc tế. Hãy tìm hiểu kỹ về thời gian giao hàng dự kiến, chi phí vận chuyển, quy trình đóng gói và các biện pháp bảo vệ hàng hóa trong quá trình vận chuyển. Quan trọng hơn cả là chính sách đổi trả: nhà cung cấp có cho phép đổi hoặc hoàn tiền nếu nhận sai hàng, hàng bị lỗi hoặc không tương thích với xe không? Quy trình này diễn ra như thế nào, có yêu cầu chi phí phát sinh nào không và thời hạn để thực hiện đổi trả là bao lâu? Một chính sách rõ ràng và thuận lợi sẽ giúp bạn yên tâm hơn khi mua sắm.
Tìm Hiểu Về Giá Cả & Ưu Đãi
Mức giá của phụ tùng Mazda có thể dao động đáng kể tùy thuộc vào loại phụ tùng, thương hiệu (chính hãng hay thay thế) và nhà cung cấp. Hãy dành thời gian so sánh giá từ nhiều nguồn khác nhau để có được mức giá tốt nhất. Tuy nhiên, đừng chỉ tập trung vào giá rẻ mà bỏ qua chất lượng. Một phụ tùng giá rẻ nhưng kém chất lượng có thể dẫn đến chi phí sửa chữa đắt đỏ hơn trong dài hạn. Bên cạnh đó, hãy chú ý đến các chương trình ưu đãi, khuyến mãi hoặc chương trình tích điểm thành viên mà nhà cung cấp có thể áp dụng. Đôi khi, việc chờ đợi một đợt giảm giá có thể giúp bạn tiết kiệm một khoản đáng kể.
Câu hỏi thường gặp

Nên mua phụ tùng Mazda ở đâu tốt nhất?
Việc lựa chọn địa điểm mua phụ tùng Mazda tốt nhất phụ thuộc vào nhu cầu và ưu tiên của bạn. Nếu bạn tìm kiếm sự đảm bảo tuyệt đối về nguồn gốc và chất lượng, các đại lý chính hãng Mazda hoặc các nhà phân phối OEM quốc tế uy tín như PartSouq, MazdaUSA Parts, OEMPartsonline.com là những lựa chọn hàng đầu. Nếu bạn quan tâm đến giá cả cạnh tranh và có kinh nghiệm tìm kiếm, các nền tảng như Amayama.com cũng là một phương án đáng cân nhắc. Luôn ưu tiên các nhà cung cấp có đánh giá tốt, chính sách rõ ràng và hỗ trợ khách hàng nhiệt tình.
Làm thế nào để xác định đúng mã phụ tùng cho xe Mazda của tôi?
Cách chính xác nhất để xác định mã phụ tùng cho xe Mazda của bạn là sử dụng số VIN (Vehicle Identification Number) duy nhất của xe. Bạn có thể nhập số VIN này vào các công cụ tra cứu phụ tùng trên website của các nhà cung cấp chính hãng hoặc các nền tảng bán phụ tùng trực tuyến uy tín. Nhiều website sẽ hiển thị danh sách các phụ tùng tương thích dựa trên VIN của bạn. Ngoài ra, bạn cũng có thể tham khảo catalog phụ tùng chi tiết của xe hoặc liên hệ trực tiếp với đại lý Mazda để được hỗ trợ xác định mã phụ tùng chính xác.
Phụ tùng chính hãng Mazda có đắt không?
So với phụ tùng thay thế, phụ tùng chính hãng Mazda thường có mức giá cao hơn. Điều này phản ánh quy trình sản xuất nghiêm ngặt, kiểm soát chất lượng chặt chẽ và việc sử dụng vật liệu cao cấp để đảm bảo độ bền, hiệu suất và an toàn cho xe. Tuy nhiên, mức giá cao hơn của phụ tùng chính hãng thường đi kèm với tuổi thọ cao hơn, ít hỏng vặt hơn và bảo toàn các tiêu chuẩn an toàn của xe, do đó có thể mang lại hiệu quả chi phí lâu dài tốt hơn.
Có nên mua phụ tùng Mazda đã qua sử dụng không?
Việc mua phụ tùng Mazda đã qua sử dụng có thể là một lựa chọn tiết kiệm chi phí trong một số trường hợp, đặc biệt là đối với các bộ phận có độ hao mòn thấp hoặc khi ngân sách hạn chế. Tuy nhiên, bạn cần hết sức cẩn trọng. Phụ tùng đã qua sử dụng có thể không còn đảm bảo hiệu suất hoạt động tối ưu, tiềm ẩn rủi ro về độ bền và an toàn. Nên mua từ các nguồn uy tín, kiểm tra kỹ tình trạng thực tế của bộ phận và ưu tiên các linh kiện có bảo hành, dù là ngắn hạn.
Lưu ý quan trọng: Nội dung bài viết này chỉ mang tính chất tham khảo và cung cấp thông tin chung. Đây không phải lời khuyên chuyên nghiệp. Mọi quyết định quan trọng liên quan đến phương tiện giao thông của bạn nên được thực hiện sau khi tham khảo ý kiến trực tiếp từ các chuyên gia kỹ thuật hoặc đại diện dịch vụ có chuyên môn phù hợp.
Hy vọng những thông tin chi tiết về phụ tùng Mazda chính hãng và cách thức mua sắm uy tín sẽ giúp bạn đưa ra những quyết định sáng suốt nhất để chăm sóc cho chiếc xe của mình. Việc lựa chọn đúng linh kiện không chỉ đảm bảo hiệu suất vận hành mà còn góp phần gia tăng tuổi thọ và sự an toàn cho chiếc Mazda yêu quý của bạn.
Cập Nhật Lúc Tháng 4 20, 2026 by Huỳnh Thanh Vi
