Việc sở hữu một chiếc xe Mazda 323 đời 2000 và cần tìm hiểu về sơ đồ điện của nó có thể xuất phát từ nhiều lý do, từ việc tự sửa chữa nhỏ đến việc nâng cấp hệ thống hoặc đơn giản là sự tò mò về cách hoạt động của chiếc xe. Hiểu rõ sơ đồ điện xe hơi là một kiến thức hữu ích, giúp bạn nắm bắt được cấu trúc, chức năng của từng bộ phận và cách chúng kết nối với nhau. Bài viết này sẽ cung cấp cái nhìn tổng quan và chi tiết về sơ đồ điện của Mazda 323 sản xuất năm 2000, giúp bạn tự tin hơn trong việc bảo dưỡng và khắc phục sự cố cho “xế yêu” của mình.
Tóm tắt quy trình tìm hiểu sơ đồ điện Mazda 323 năm 2000
Tổng quan nội dung
- 1 Tóm tắt quy trình tìm hiểu sơ đồ điện Mazda 323 năm 2000
- 2 Mazda 323 Năm 2000: Giới thiệu chung về hệ thống điện
- 3 Tìm kiếm sơ đồ điện Mazda 323 năm 2000: Nguồn tham khảo
- 4 Cách đọc và hiểu sơ đồ điện Mazda 323 năm 2000
- 5 Ví dụ về cách áp dụng sơ đồ điện: Thay thế cầu chì
- 6 Những lưu ý quan trọng khi làm việc với sơ đồ điện
- 7 Kết luận
- Xác định mục đích sử dụng sơ đồ điện: Bạn cần sơ đồ để sửa chữa, nâng cấp hay chỉ để tham khảo?
- Tìm kiếm nguồn tài liệu đáng tin cậy: Tham khảo sách hướng dẫn sửa chữa, diễn đàn ô tô, hoặc các trang web chuyên ngành.
- Phân tích sơ đồ: Hiểu các ký hiệu, ký mã và cách các mạch điện được biểu thị.
- Áp dụng vào thực tế: Đối chiếu sơ đồ với cấu tạo thực tế của xe để xác định vị trí và chức năng của các bộ phận.
- Tham khảo ý kiến chuyên gia: Nếu gặp khó khăn hoặc không chắc chắn, hãy tìm đến các thợ máy chuyên nghiệp.
Mazda 323 Năm 2000: Giới thiệu chung về hệ thống điện
Hệ thống điện trên một chiếc xe hơi là một mạng lưới phức tạp bao gồm nhiều bộ phận khác nhau, từ ắc quy, máy phát điện, hệ thống đánh lửa, hệ thống chiếu sáng, hệ thống giải trí, cho đến các bộ điều khiển điện tử (ECU). Đối với Mazda 323 đời 2000, hệ thống điện được thiết kế để cung cấp năng lượng và điều khiển hoạt động của tất cả các bộ phận này, đảm bảo xe vận hành một cách trơn tru và hiệu quả.
Các thành phần chính của hệ thống điện trên Mazda 323 đời 2000
Trước khi đi sâu vào sơ đồ điện, việc hiểu rõ các thành phần cơ bản sẽ giúp bạn dễ dàng hơn trong việc tiếp cận thông tin.

Có thể bạn quan tâm: Mazda 323 Sx2004: Chiếc Xe “quốc Dân” Một Thời Có Còn Đáng Mua? Đánh Giá Chi Tiết
- Ắc quy (Battery): Là nguồn cung cấp năng lượng chính cho toàn bộ hệ thống điện khi động cơ chưa hoạt động hoặc ở tốc độ thấp. Ắc quy lưu trữ năng lượng điện và cung cấp dòng điện ổn định.
- Máy phát điện (Alternator): Khi động cơ hoạt động, máy phát điện sẽ tạo ra điện năng để cung cấp cho các hệ thống hoạt động và đồng thời sạc lại cho ắc quy.
- Hệ thống đánh lửa (Ignition System): Bao gồm bugi, bobin, bộ chia điện (nếu có) hoặc bộ đánh lửa điện tử. Hệ thống này tạo ra tia lửa điện để đốt cháy hỗn hợp nhiên liệu và không khí trong buồng đốt, khởi động động cơ.
- Hệ thống khởi động (Starting System): Bao gồm motor đề và công tắc đề. Motor đề nhận năng lượng từ ắc quy để quay trục khuỷu động cơ, giúp động cơ khởi động.
- Hệ thống chiếu sáng (Lighting System): Bao gồm đèn pha, đèn cốt, đèn hậu, đèn xi nhan, đèn sương mù và đèn nội thất. Hệ thống này cung cấp ánh sáng cần thiết cho việc lái xe an toàn trong mọi điều kiện.
- Hệ thống âm thanh và giải trí: Bao gồm đầu CD/Radio, loa, bộ khuếch đại âm thanh (nếu có).
- Hệ thống điều hòa không khí: Bao gồm quạt gió, máy nén, bộ điều khiển.
- Các bộ điều khiển điện tử (ECU): Là “bộ não” của xe, ECU nhận tín hiệu từ các cảm biến và điều khiển các hệ thống hoạt động khác nhau của xe như động cơ, hộp số, ABS (nếu có).
- Hệ thống dây dẫn (Wiring Harness): Là tập hợp các bó dây điện kết nối tất cả các bộ phận với nhau. Sơ đồ điện chính là bản vẽ mô tả chi tiết cách bố trí và kết nối của hệ thống dây dẫn này.
Tìm kiếm sơ đồ điện Mazda 323 năm 2000: Nguồn tham khảo
Việc tìm được một sơ đồ điện chính xác và đầy đủ cho một mẫu xe cụ thể như Mazda 323 năm 2000 là vô cùng quan trọng. Dưới đây là một số nguồn bạn có thể tham khảo:
1. Sách hướng dẫn sửa chữa (Repair Manuals)
Đây là nguồn thông tin chính thức và đáng tin cậy nhất. Các sách hướng dẫn sửa chữa thường do chính nhà sản xuất xe hoặc các công ty chuyên xuất bản tài liệu kỹ thuật ô tô biên soạn. Các sách này thường bao gồm sơ đồ điện chi tiết cho từng hệ thống, cách kiểm tra, chẩn đoán lỗi và các bước sửa chữa cụ thể.
- Tên sách gợi ý: “Mazda 323 Protegé Service Manual” hoặc các phiên bản tương tự cho năm 2000.
- Cách tìm kiếm: Bạn có thể tìm mua sách này tại các cửa hàng sách kỹ thuật ô tô, trên các trang thương mại điện tử (Amazon, eBay) hoặc tìm kiếm các phiên bản PDF tải về trên mạng (lưu ý kiểm tra nguồn gốc để đảm bảo tính chính xác).
2. Diễn đàn và cộng đồng người dùng ô tô

Có thể bạn quan tâm: Mazda 323 Nguyên Bản Chính Chủ: Khám Phá Giá Trị Lịch Sử Và Tiềm Năng Sở Hữu
Các diễn đàn ô tô là nơi quy tụ những người có cùng niềm đam mê và kinh nghiệm sử dụng xe. Tại đây, bạn có thể đặt câu hỏi, chia sẻ kinh nghiệm và đôi khi nhận được sự giúp đỡ từ những người đã từng gặp vấn đề tương tự hoặc có sẵn tài liệu.
- Các diễn đàn quốc tế: MazdaForum.com, ClubProtegé.com, v.v.
- Các diễn đàn Việt Nam: Các nhóm trên Facebook về xe Mazda, các diễn đàn ô tô tại Việt Nam.
Khi tham gia các diễn đàn, hãy lịch sự đặt câu hỏi và mô tả rõ ràng nhu cầu của bạn về sơ đồ điện Mazda 323 năm 2000.
3. Trang web chuyên ngành và tài nguyên trực tuyến
Có nhiều trang web chuyên cung cấp tài liệu kỹ thuật ô tô, bao gồm cả sơ đồ điện. Tuy nhiên, cần cẩn trọng khi tải về từ các nguồn không rõ ràng.
- Các trang web cung cấp dịch vụ sửa chữa online: Một số trang web có thể yêu cầu phí đăng ký để truy cập vào kho tài liệu kỹ thuật của họ.
- Các kênh YouTube: Nhiều thợ máy hoặc người yêu xe chia sẻ các video hướng dẫn sửa chữa, trong đó có thể có các đoạn trích sơ đồ điện.
4. Các ứng dụng chẩn đoán và sửa chữa ô tô
Hiện nay có nhiều ứng dụng trên điện thoại thông minh hoặc máy tính bảng có khả năng kết nối với cổng OBD-II của xe và hiển thị thông tin chi tiết, bao gồm cả các sơ đồ điện cơ bản hoặc liên kết đến tài liệu. Tuy nhiên, các ứng dụng này thường phù hợp với xe đời mới hơn và có thể không cung cấp sơ đồ chi tiết cho xe đời 2000.

Có thể bạn quan tâm: Mazda 323 Không Để Được Bảo Hành: Nguyên Nhân, Hậu Quả Và Cách Khắc Phục
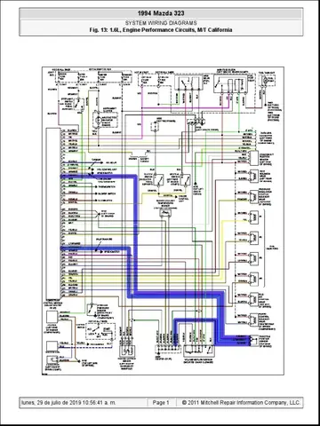
Cách đọc và hiểu sơ đồ điện Mazda 323 năm 2000
Việc đọc sơ đồ điện đòi hỏi sự kiên nhẫn và khả năng nhận diện các ký hiệu. Dưới đây là một số nguyên tắc cơ bản:
1. Ký hiệu các thành phần điện tử
Sơ đồ điện sử dụng các biểu tượng chuẩn để đại diện cho các thành phần khác nhau. Bạn cần làm quen với các ký hiệu phổ biến như:
- Dây dẫn: Thường được biểu thị bằng các đường thẳng. Các điểm nối dây được đánh dấu bằng các chấm tròn.
- Công tắc (Switch): Có nhiều loại công tắc, từ công tắc đơn giản (bật/tắt) đến công tắc đa vị trí.
- Cầu chì (Fuse): Biểu tượng hình chữ nhật hoặc hình vuông, thường có ghi giá trị dòng điện cho phép.
- Rơ-le (Relay): Một công tắc điện tử được điều khiển bởi một dòng điện nhỏ để đóng/ngắt một dòng điện lớn hơn.
- Cuộn dây (Coil): Thường là biểu tượng của bobin hoặc motor.
- Điện trở (Resistor): Biểu tượng của một đường răng cưa.
- Diode: Biểu tượng mũi tên có gạch ngang.
- Động cơ (Motor): Biểu tượng hình tròn có chữ “M” hoặc “MTR” bên trong.
- Bóng đèn (Lamp): Biểu tượng hình tròn có chữ “L” hoặc hình bóng đèn.
- Cảm biến (Sensor): Có thể có nhiều biểu tượng khác nhau tùy thuộc vào loại cảm biến.
2. Ký mã và đánh số trên sơ đồ

Có thể bạn quan tâm: Mazda 323 Đời 95 Máy Nóng: Nguyên Nhân, Cách Xử Lý Và Lời Khuyên Từ Chuyên Gia
Các dây dẫn, giắc cắm và các thành phần thường được đánh số hoặc mã hóa để dễ dàng nhận diện.
- Màu sắc dây dẫn: Sơ đồ điện thường hiển thị màu sắc của từng dây dẫn. Đây là thông tin cực kỳ quan trọng để xác định đúng dây khi thực hiện sửa chữa. Các màu sắc phổ biến bao gồm: Đen (BK), Trắng (WH), Đỏ (RD), Xanh dương (BL), Xanh lá (GR), Vàng (YW), Nâu (BR), Xám (GY).
- Số hiệu giắc cắm (Connector Number): Mỗi giắc cắm thường có một số hiệu riêng để bạn dễ dàng xác định nó trên thực tế.
- Số hiệu bộ phận (Part Number): Một số sơ đồ còn cung cấp số hiệu của các bộ phận để bạn có thể tra cứu phụ tùng.
3. Cách đọc sơ đồ theo từng hệ thống
Sơ đồ điện thường được chia thành các phần riêng biệt cho từng hệ thống:
- Hệ thống chiếu sáng: Sơ đồ này sẽ thể hiện cách kết nối của đèn pha, đèn hậu, đèn xi nhan, công tắc đèn, cầu chì và rơ-le liên quan.
- Hệ thống đánh lửa và khởi động: Bao gồm sơ đồ cho ắc quy, motor đề, công tắc đề, bobin, bộ chia điện (nếu có), ECU động cơ.
- Hệ thống phun nhiên liệu: Sơ đồ này sẽ thể hiện kết nối của các kim phun, bơm nhiên liệu, cảm biến oxy, cảm biến vị trí bướm ga, ECU động cơ.
- Hệ thống âm thanh: Sơ đồ kết nối của đầu phát, loa, ăng-ten.
- Hệ thống điều hòa không khí: Sơ đồ cho quạt gió, máy nén, bộ điều khiển AC.
Khi cần sửa chữa một bộ phận nào đó, hãy tìm đến phần sơ đồ điện tương ứng với hệ thống đó.
Ví dụ về cách áp dụng sơ đồ điện: Thay thế cầu chì
Giả sử bạn gặp tình huống đèn nội thất trên chiếc Mazda 323 đời 2000 của mình không sáng. Dựa trên kinh nghiệm, bạn nghi ngờ cầu chì đã bị cháy.

- Tìm sơ đồ hệ thống chiếu sáng hoặc sơ đồ cầu chì chung.
- Xác định vị trí cầu chì đèn nội thất: Trên sơ đồ, bạn sẽ thấy biểu tượng cầu chì được kết nối với mạch đèn nội thất. Sơ đồ cũng sẽ ghi rõ số hiệu của cầu chì đó (ví dụ: F15) và giá trị dòng điện (ví dụ: 10A).
- Tìm hộp cầu chì trên xe: Hộp cầu chì thường nằm dưới bảng điều khiển phía người lái hoặc trong khoang động cơ. Sách hướng dẫn sử dụng xe hoặc sơ đồ cụ thể sẽ chỉ ra vị trí chính xác.
- Kiểm tra cầu chì: Mở nắp hộp cầu chì và tìm cầu chì có số hiệu tương ứng. Sử dụng một dụng cụ kiểm tra cầu chì hoặc quan sát bằng mắt thường để xem dây kim loại bên trong cầu chì có bị đứt hay không.
- Thay thế cầu chì: Nếu cầu chì bị cháy, hãy thay thế bằng một chiếc cầu chì mới cùng loại và cùng giá trị dòng điện. TUYỆT ĐỐI KHÔNG sử dụng cầu chì có giá trị dòng điện lớn hơn hoặc nhỏ hơn, vì điều này có thể gây hỏng hóc nghiêm trọng cho hệ thống điện hoặc gây cháy nổ.
- Kiểm tra lại: Bật đèn nội thất để xem nó đã hoạt động trở lại chưa. Nếu vẫn không sáng, có thể vấn đề nằm ở dây dẫn, bóng đèn hoặc bộ điều khiển khác. Lúc này, bạn cần tham khảo kỹ hơn sơ đồ điện để tìm nguyên nhân gốc rễ.
Những lưu ý quan trọng khi làm việc với sơ đồ điện
- An toàn là trên hết: Luôn ngắt kết nối ắc quy trước khi thực hiện bất kỳ công việc nào liên quan đến hệ thống điện.
- Sử dụng dụng cụ phù hợp: Đảm bảo bạn có đầy đủ các dụng cụ cần thiết như tua vít, kìm, đồng hồ đo điện (multimeter), dụng cụ kiểm tra cầu chì.
- Kiên nhẫn và cẩn thận: Hệ thống điện xe hơi rất phức tạp. Hãy làm việc chậm rãi, cẩn thận và kiểm tra kỹ lưỡng từng bước.
- Tham khảo ý kiến chuyên gia: Nếu bạn không chắc chắn về bất kỳ thao tác nào hoặc gặp phải vấn đề phức tạp, đừng ngần ngại tìm đến sự giúp đỡ của các kỹ thuật viên chuyên nghiệp. Việc sửa chữa sai có thể gây tốn kém hơn rất nhiều so với việc được tư vấn đúng ngay từ đầu.
- Bảo quản sơ đồ: Giữ gìn sơ đồ điện ở nơi khô ráo, sạch sẽ để có thể sử dụng lại khi cần thiết.
Tầm quan trọng của việc bảo dưỡng định kỳ
Việc bảo dưỡng định kỳ là cách tốt nhất để phòng ngừa các sự cố liên quan đến hệ thống điện. Thay thế ắc quy khi đến hạn, kiểm tra các đầu nối dây, làm sạch các tiếp điểm là những công việc đơn giản nhưng mang lại hiệu quả cao trong việc duy trì sự ổn định cho hệ thống điện của chiếc Mazda 323 đời 2000. Thông tin chi tiết về bảo dưỡng có thể được tìm thấy trên trang thienminh-autosafety.com, nơi cung cấp kiến thức tổng hợp và đáng tin cậy cho mọi người dùng xe.
Kết luận
Sơ đồ điện xe Mazda 323 năm 2000 là một công cụ vô giá cho bất kỳ ai muốn hiểu rõ hơn về chiếc xe của mình, từ việc tự sửa chữa những lỗi nhỏ đến việc nâng cấp hệ thống. Bằng cách tìm kiếm nguồn tài liệu đáng tin cậy, làm quen với các ký hiệu và nguyên tắc đọc sơ đồ, cùng với việc tuân thủ các quy tắc an toàn, bạn hoàn toàn có thể tự tin hơn trong việc chăm sóc và bảo dưỡng “xế yêu” của mình. Hãy nhớ rằng, kiến thức về sơ đồ điện không chỉ giúp bạn tiết kiệm chi phí sửa chữa mà còn mang lại sự an tâm trên mỗi hành trình.
Cập Nhật Lúc Tháng 4 27, 2026 by Huỳnh Thanh Vi
