Việc nắm vững cấu tạo và cách hoạt động của hệ thống đèn trên xe Mazda BT50 là điều cần thiết cho bất kỳ chủ xe nào, đặc biệt là khi gặp sự cố với mach đèn cos Mazda BT50. Từ những vấn đề nhỏ như đèn báo lỗi, đến những trục trặc lớn ảnh hưởng đến an toàn khi di chuyển ban đêm, hiểu rõ về hệ thống điện chiếu sáng sẽ giúp bạn chủ động hơn trong việc bảo dưỡng và sửa chữa. Bài viết này sẽ đi sâu vào phân tích cấu trúc, các lỗi thường gặp, nguyên nhân và cách khắc phục hiệu quả cho mach đèn cos Mazda BT50, mang đến cho bạn kiến thức đầy đủ và đáng tin cậy.
Tóm tắt quy trình xử lý mach đèn cos Mazda BT50
Tổng quan nội dung
- Xác định nguyên nhân: Kiểm tra các bộ phận của hệ thống đèn cos, bao gồm bóng đèn, dây dẫn, cầu chì và công tắc điều khiển.
- Kiểm tra bóng đèn: Đảm bảo bóng đèn cos còn hoạt động tốt, không bị cháy hoặc mờ.
- Kiểm tra cầu chì: Rút và kiểm tra cầu chì đèn cos, thay thế nếu bị đứt.
- Kiểm tra dây dẫn: Rà soát toàn bộ hệ thống dây dẫn từ công tắc đến bóng đèn, tìm kiếm các điểm nối lỏng lẻo, đứt gãy hoặc ăn mòn.
- Kiểm tra công tắc: Xác minh công tắc đèn cos hoạt động bình thường, có khả năng bật/tắt đèn một cách chính xác.
- Kiểm tra bộ điều khiển (nếu có): Đối với các phiên bản hiện đại hơn, kiểm tra bộ điều khiển đèn có gặp trục trặc phần mềm hoặc phần cứng.
- Sử dụng thiết bị chẩn đoán: Nếu các bước trên không giải quyết được vấn đề, sử dụng thiết bị chẩn đoán chuyên dụng để đọc mã lỗi từ hệ thống điện của xe.
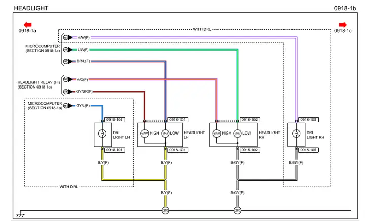
Cấu tạo hệ thống đèn cos Mazda BT50 và nguyên lý hoạt động

Có thể bạn quan tâm: Mã Lỗi Mazda 3 U2516: Nguyên Nhân, Dấu Hiệu Và Cách Khắc Phục Chi Tiết
Hệ thống đèn cos (đèn chiếu gần) trên Mazda BT50 đóng vai trò quan trọng trong việc đảm bảo tầm nhìn cho người lái khi di chuyển trong điều kiện ánh sáng yếu hoặc ban đêm. Hiểu rõ cấu tạo và nguyên lý hoạt động của mach đèn cos Mazda BT50 sẽ giúp bạn dễ dàng nhận diện và xử lý sự cố.
Cấu tạo chính của hệ thống đèn cos
Hệ thống đèn cos trên Mazda BT50 bao gồm các thành phần chính sau:
- Bóng đèn cos: Đây là bộ phận phát sáng chính. Mazda BT50 thường sử dụng bóng đèn halogen hoặc bóng đèn LED tùy thuộc vào phiên bản và năm sản xuất. Bóng đèn cos được thiết kế để chiếu sáng một phạm vi vừa phải phía trước xe, đủ để người lái quan sát đường đi và các chướng ngại vật ở khoảng cách gần.
- Chóa đèn (Hệ thống phản xạ và định vị): Chóa đèn có nhiệm vụ phản xạ ánh sáng từ bóng đèn, định hướng chùm sáng theo đúng tiêu chuẩn để chiếu xuống mặt đường mà không gây chói mắt cho người đối diện. Cấu trúc của chóa đèn được thiết kế tỉ mỉ để tối ưu hóa hiệu quả chiếu sáng.
- Chân đèn và Ổ cắm: Chân đèn là bộ phận kết nối bóng đèn với hệ thống điện của xe thông qua ổ cắm. Các kết nối này cần đảm bảo chắc chắn và không bị ăn mòn để dòng điện được truyền tải ổn định.
- Dây dẫn điện: Hệ thống dây dẫn điện chịu trách nhiệm truyền tải nguồn điện từ ắc quy đến công tắc điều khiển và sau đó đến bóng đèn cos. Các dây dẫn này phải có tiết diện phù hợp và được bọc cách điện cẩn thận để tránh nguy cơ chập điện.
- Cầu chì (Fuse): Cầu chì là một bộ phận an toàn quan trọng, có vai trò bảo vệ mạch điện khỏi tình trạng quá tải hoặc ngắn mạch. Nếu có sự cố về dòng điện, cầu chì sẽ bị đứt, ngắt mạch điện và bảo vệ các bộ phận khác khỏi hư hỏng. Cầu chì cho đèn cos thường có giá trị ampe (A) nhất định, phù hợp với công suất tiêu thụ của bóng đèn.
- Rơ-le (Relay – Tùy phiên bản): Một số phiên bản Mazda BT50 có thể sử dụng rơ-le để tăng cường khả năng đóng/ngắt mạch điện cho đèn, đặc biệt là với các bóng đèn có công suất lớn hoặc khi tích hợp nhiều chức năng đèn. Rơ-le giúp giảm tải cho công tắc điều khiển chính.
- Công tắc đèn (Đèn pha/cos): Công tắc này thường nằm trên bảng điều khiển hoặc cụm cần gạt phía sau vô lăng. Người lái sử dụng công tắc này để bật/tắt đèn cos, chuyển đổi giữa chế độ đèn cos và đèn pha.
Nguyên lý hoạt động của mach đèn cos Mazda BT50

Có thể bạn quan tâm: Lợi Thế Của Mazda Cx-5: Tất Cả Những Gì Bạn Cần Biết Trước Khi Quyết Định
Nguyên lý hoạt động của mach đèn cos Mazda BT50 khá đơn giản và tuân theo quy luật mạch điện cơ bản:
- Bật công tắc: Khi người lái gạt công tắc sang vị trí đèn cos, một tín hiệu điện sẽ được gửi đi.
- Thông qua cầu chì và rơ-le (nếu có): Tín hiệu điện này sẽ đi qua cầu chì để đảm bảo an toàn. Nếu có rơ-le, nó sẽ hoạt động để đóng mạch điện chính cấp nguồn cho bóng đèn.
- Cấp nguồn cho bóng đèn: Dòng điện từ ắc quy (thường qua hệ thống điện xe) sẽ được dẫn tới bóng đèn cos.
- Phát sáng: Khi có dòng điện chạy qua dây tóc (đối với bóng halogen) hoặc các diode phát quang (đối với bóng LED), bóng đèn sẽ phát sáng, tạo ra chùm sáng chiếu gần.
- Tắt đèn: Khi người lái gạt công tắc về vị trí tắt hoặc chuyển sang chế độ khác, mạch điện cấp nguồn cho bóng đèn cos sẽ bị ngắt, khiến đèn ngừng sáng.
Sự phối hợp nhịp nhàng của các bộ phận này tạo nên một hệ thống chiếu sáng hiệu quả, đóng góp quan trọng vào trải nghiệm lái xe an toàn.
Các lỗi thường gặp liên quan đến mach đèn cos Mazda BT50 và cách khắc phục

Có thể bạn quan tâm: Khắc Phục Lỗi Video Player Trên Xe Mazda: Hướng Dẫn Chi Tiết Từ A-z
Các sự cố với mach đèn cos Mazda BT50 có thể xuất phát từ nhiều nguyên nhân khác nhau, từ những vấn đề nhỏ nhặt đến các trục trặc phức tạp hơn trong hệ thống điện. Dưới đây là các lỗi phổ biến và hướng dẫn khắc phục chi tiết:
1. Đèn cos không sáng (một hoặc cả hai bên)
Đây là lỗi phổ biến nhất và có thể do nhiều nguyên nhân:
Nguyên nhân:
- Bóng đèn cos bị cháy: Bóng đèn, dù là halogen hay LED, đều có tuổi thọ nhất định và có thể bị cháy sau một thời gian sử dụng hoặc do sốc điện.
- Cầu chì đèn cos bị đứt: Quá tải dòng điện, chập mạch hoặc lỗi bóng đèn có thể làm đứt cầu chì bảo vệ mạch đèn cos.
- Tiếp xúc kém ở chân đèn hoặc ổ cắm: Bụi bẩn, ăn mòn hoặc chân đèn bị lỏng có thể gây cản trở dòng điện.
- Dây dẫn điện bị đứt, hỏng hoặc chập mạch: Đây là nguyên nhân nghiêm trọng hơn, có thể do va đập, chuột cắn hoặc lão hóa dây dẫn.
- Công tắc đèn cos bị hỏng: Các tiếp điểm bên trong công tắc có thể bị mòn, bẩn hoặc gãy, dẫn đến việc không cấp điện cho bóng đèn.
- Lỗi bộ điều khiển đèn (Module điều khiển đèn – BCM): Ở các xe đời mới có hệ thống quản lý điện tử phức tạp hơn, bộ điều khiển đèn có thể gặp lỗi phần mềm hoặc phần cứng.
Cách khắc phục:
- Kiểm tra và thay bóng đèn: Đây là bước đầu tiên và dễ dàng nhất. Mở nắp capo, tìm đến vị trí bóng đèn cos, tháo bóng cũ và thay thế bằng bóng mới có cùng thông số kỹ thuật. Đảm bảo bạn chọn bóng đèn chính hãng hoặc từ các thương hiệu uy tín để đảm bảo chất lượng.
- Kiểm tra cầu chì: Tìm hộp cầu chì trên xe (thường nằm dưới bảng điều khiển hoặc trong khoang động cơ). Tham khảo sách hướng dẫn sử dụng xe để xác định vị trí cầu chì đèn cos. Rút cầu chì ra và kiểm tra bằng mắt thường hoặc dùng đồng hồ đo điện để xem có bị đứt không. Nếu đứt, hãy thay thế bằng cầu chì mới có cùng chỉ số ampe. Lưu ý: Nếu cầu chì mới thay bị đứt ngay lập tức, có nghĩa là hệ thống đang có sự cố chập mạch nghiêm trọng và cần được kiểm tra chuyên sâu.
- Vệ sinh và kiểm tra chân đèn/ổ cắm: Tháo bóng đèn ra, dùng khăn sạch hoặc dung dịch vệ sinh chuyên dụng để làm sạch chân đèn và ổ cắm. Kiểm tra xem có dấu hiệu ăn mòn hoặc chân đèn bị biến dạng không. Nếu cần, hãy siết chặt lại các kết nối.
- Kiểm tra dây dẫn điện: Đây là công việc đòi hỏi sự tỉ mỉ. Rà soát toàn bộ đường đi của dây dẫn từ công tắc đến bóng đèn. Tìm kiếm các dấu hiệu bất thường như vỏ bọc dây bị rách, dây bị đứt, hoặc các điểm nối bị lỏng lẻo. Nếu phát hiện hư hỏng, cần hàn nối hoặc thay thế đoạn dây đó. Khuyến cáo: Công việc này nên được thực hiện bởi thợ sửa chữa chuyên nghiệp để đảm bảo an toàn và hiệu quả.
- Kiểm tra công tắc đèn: Nếu các bước trên không giải quyết được vấn đề, có khả năng công tắc đèn bị hỏng. Bạn có thể dùng đồng hồ đo điện để kiểm tra tín hiệu điện ra vào công tắc khi bật/tắt. Nếu công tắc không hoạt động đúng, cần thay thế.
- Kiểm tra bộ điều khiển đèn (Module BCM): Nếu xe của bạn có hệ thống đèn phức tạp, việc chẩn đoán lỗi trên bộ điều khiển đèn cần đến thiết bị chuyên dụng và kiến thức chuyên sâu. Thường thì lỗi này sẽ được báo bằng mã lỗi trên màn hình chẩn đoán.
2. Đèn cos quá mờ hoặc ánh sáng yếu

Có thể bạn quan tâm: Lỗi Dtc P0847 Mazda 3: Nguyên Nhân, Dấu Hiệu Nhận Biết Và Cách Khắc Phục
Nguyên nhân:
- Bóng đèn đã cũ, giảm hiệu suất phát sáng: Đặc biệt với bóng halogen, dây tóc có thể bị oxy hóa, làm giảm cường độ ánh sáng.
- Chóa đèn bị bám bẩn, ố vàng hoặc mờ: Lớp bụi bẩn, hơi ẩm hoặc tình trạng ố vàng theo thời gian sẽ làm giảm khả năng phản xạ ánh sáng của chóa đèn.
- Điện áp cấp cho đèn cos bị sụt giảm: Có thể do dây dẫn kém chất lượng, tiếp xúc kém hoặc vấn đề với hệ thống sạc của xe.
- Bóng đèn không đúng chủng loại hoặc công suất: Sử dụng bóng đèn không phù hợp với thiết kế của xe.
Cách khắc phục:
- Vệ sinh chóa đèn: Sử dụng dung dịch vệ sinh chuyên dụng và khăn mềm để lau sạch bề mặt chóa đèn. Đối với tình trạng ố vàng nặng, có thể cần đến các dịch vụ phục hồi đèn pha chuyên nghiệp.
- Kiểm tra và thay bóng đèn: Nếu bóng đèn đã sử dụng lâu, nên thay thế để đảm bảo ánh sáng tốt nhất.
- Kiểm tra điện áp: Sử dụng đồng hồ đo điện để đo điện áp tại chân bóng đèn cos khi đèn đang sáng. Nếu điện áp thấp hơn mức tiêu chuẩn (thường khoảng 12V), cần kiểm tra lại dây dẫn, công tắc và hệ thống sạc của xe.
- Đảm bảo sử dụng bóng đèn chính hãng: Kiểm tra thông số kỹ thuật của bóng đèn trên xe hoặc trong sách hướng dẫn sử dụng để mua đúng loại.
3. Đèn cos nhấp nháy liên tục
Nguyên nhân:
- Tiếp xúc điện kém tại bóng đèn, chân đèn hoặc dây dẫn: Đây là nguyên nhân phổ biến nhất, gây ra sự ngắt quãng trong dòng điện.
- Cầu chì bị lỏng hoặc có vấn đề: Cầu chì không tiếp xúc tốt có thể gây ra tín hiệu điện không ổn định.
- Công tắc đèn bị lỗi: Các tiếp điểm trong công tắc có thể bị mòn, gây ra tình trạng tiếp xúc chập chờn.
- Lỗi bộ điều khiển đèn (Module BCM): Trong các xe đời mới, bộ điều khiển có thể gặp trục trặc.
Cách khắc phục:
- Kiểm tra các kết nối điện: Siết chặt lại chân bóng đèn, kiểm tra các mối nối dây dẫn. Đảm bảo cầu chì được cắm chắc chắn vào khe cắm.
- Vệ sinh các điểm tiếp xúc: Làm sạch bụi bẩn và ăn mòn tại các điểm tiếp xúc điện.
- Kiểm tra công tắc: Nếu nghi ngờ công tắc, cần kiểm tra hoặc thay thế.
- Chẩn đoán lỗi hệ thống điện: Nếu vấn đề vẫn tiếp diễn, cần sử dụng thiết bị chẩn đoán để kiểm tra toàn bộ hệ thống điện và bộ điều khiển.
4. Đèn báo lỗi đèn cos trên bảng táp-lô sáng
Nguyên nhân:
- Bóng đèn cos bị cháy hoặc có vấn đề: Hệ thống kiểm tra bóng đèn của xe (thường là ở các xe đời mới) sẽ phát hiện bóng đèn bị lỗi và báo sáng đèn cảnh báo.
- Lỗi ở các bộ phận khác trong hệ thống đèn: Bao gồm dây dẫn, công tắc, hoặc bộ điều khiển.
- Hệ thống điện của xe gặp vấn đề: Lỗi ở hệ thống sạc hoặc các vấn đề điện áp khác có thể kích hoạt đèn báo lỗi.
Cách khắc phục:
- Kiểm tra và thay thế bóng đèn: Bước đầu tiên luôn là kiểm tra xem bóng đèn cos có bị cháy không.
- Chẩn đoán mã lỗi: Sử dụng thiết bị đọc mã lỗi OBD-II để xác định chính xác nguyên nhân gây ra đèn báo lỗi. Mã lỗi sẽ cung cấp thông tin cụ thể về bộ phận hoặc mạch điện đang gặp sự cố.
- Kiểm tra các thành phần khác theo mã lỗi: Dựa vào mã lỗi, thợ sửa chữa sẽ tiến hành kiểm tra các bộ phận liên quan như cầu chì, dây dẫn, công tắc hoặc bộ điều khiển.
Kinh nghiệm bảo dưỡng và phòng ngừa sự cố với mach đèn cos Mazda BT50

Việc bảo dưỡng định kỳ và áp dụng các biện pháp phòng ngừa sẽ giúp kéo dài tuổi thọ của hệ thống đèn cos và giảm thiểu nguy cơ gặp sự cố:
- Vệ sinh định kỳ: Thường xuyên lau chùi bề mặt chóa đèn để loại bỏ bụi bẩn, bùn đất, côn trùng bám vào. Điều này không chỉ giúp đèn sáng hơn mà còn ngăn ngừa tình trạng ố vàng, làm giảm tuổi thọ chóa đèn.
- Kiểm tra bóng đèn thường xuyên: Dành chút thời gian kiểm tra xem đèn cos có sáng bình thường không, đặc biệt là trước những chuyến đi dài hoặc khi di chuyển vào ban đêm. Việc phát hiện sớm bóng đèn cháy giúp bạn thay thế kịp thời, tránh ảnh hưởng đến an toàn.
- Cẩn thận khi rửa xe: Tránh sử dụng vòi xịt nước áp lực cao xịt trực tiếp vào khu vực đèn pha, vì điều này có thể làm nước lọt vào bên trong, gây ẩm ướt và ăn mòn các kết nối điện.
- Sử dụng phụ tùng chính hãng hoặc uy tín: Khi cần thay thế bóng đèn, cầu chì hoặc bất kỳ bộ phận nào của hệ thống đèn, hãy ưu tiên sử dụng sản phẩm chính hãng của Mazda hoặc các thương hiệu phụ tùng uy tín trên thị trường. Tránh sử dụng các sản phẩm trôi nổi, không rõ nguồn gốc, vì chúng có thể gây ra các vấn đề nghiêm trọng hơn.
- Kiểm tra hệ thống điện định kỳ: Ngoài việc kiểm tra đèn, hãy đảm bảo hệ thống sạc của xe hoạt động bình thường. Điện áp không ổn định có thể ảnh hưởng đến tuổi thọ của bóng đèn và các bộ phận điện tử khác.
- Thận trọng khi tự sửa chữa: Nếu bạn không có kinh nghiệm hoặc kiến thức chuyên sâu về hệ thống điện ô tô, việc tự ý sửa chữa có thể gây ra những hư hỏng nặng hơn hoặc nguy hiểm cho bản thân. Tốt nhất nên đưa xe đến các gara uy tín để được kiểm tra và sửa chữa bởi đội ngũ kỹ thuật viên chuyên nghiệp.
- Hiểu rõ sách hướng dẫn sử dụng: Sách hướng dẫn sử dụng của xe Mazda BT50 cung cấp thông tin chi tiết về vị trí các hộp cầu chì, loại bóng đèn cần sử dụng, và các khuyến cáo bảo dưỡng quan trọng. Hãy luôn tham khảo sách hướng dẫn khi cần thiết.
Việc trang bị kiến thức về mach đèn cos Mazda BT50 và thực hiện bảo dưỡng đúng cách sẽ giúp chiếc xe của bạn luôn vận hành an toàn và hiệu quả trên mọi nẻo đường. Hy vọng những thông tin chi tiết trong bài viết này sẽ hữu ích cho bạn.
Cập Nhật Lúc Tháng 4 26, 2026 by Huỳnh Thanh Vi
