Toyota Veloz Tiêu Hao Nhiên Liệu: Đánh Giá Chi Tiết, Cách Tiết Kiệm Xăng 2024
Mối quan tâm hàng đầu của người sở hữu Toyota Veloz chính là mức tiêu [...]
Th1
Toyota Veloz Kích Thước: Dài x Rộng x Cao & So Sánh Với Xpander, Ertiga
(mở bài) Hiểu rõ toyota veloz kích thước có vai trò quan trọng trong việc [...]
Th1
Toyota Veloz Cross CVT Top: Đánh Giá, Giá Lăn Bánh & Ưu Đãi Mới Nhất!
Chọn mua xe 7 chỗ, đặc biệt là phiên bản toyota veloz cross cvt top [...]
Th1
Toyota Veloz Cross Lăn Bánh: Giá, Ưu Đãi, Đánh Giá Chi Tiết 2024
(Mở bài) Quyết định toyota veloz cross lăn bánh là một cột mốc quan trọng, [...]
Th1
Toyota Veloz Bao Nhiêu Chỗ? Đánh Giá Chi Tiết Số Chỗ, Nội Thất Veloz
Chắc hẳn bạn đang cân nhắc một chiếc xe đa dụng cho gia đình và [...]
Th1
So Sánh Toyota Veloz Và Honda Brv: Nên Chọn Xe 7 Chỗ Nào?
Việc so sánh toyota veloz và honda brv là vô cùng quan trọng đối với [...]
Th1
Động Cơ Toyota Veloz: Đánh Giá, Thông Số Kỹ Thuật, Tuổi Thọ, Bảo Dưỡng A-Z
Động cơ Toyota Veloz là yếu tố then chốt ảnh hưởng trực tiếp đến trải [...]
Th1
Toyota Veloz Màu Đỏ: Đánh Giá, Giá Lăn Bánh, So Sánh Và Ưu Đãi
(mở bài) toyota veloz màu đỏ đang là lựa chọn được nhiều khách hàng quan [...]
Th1
Toyota Veloz Sản Xuất Ở Đâu? Nguồn Gốc, Xuất Xứ Và Nhà Máy Lắp Ráp
Nắm rõ nguồn gốc xuất xứ của Toyota Veloz là yếu tố quan trọng giúp [...]
Th1
Toyota Veloz Màu Bạc: Đánh Giá, Giá Lăn Bánh & Có Nên Mua Không?
toyota veloz màu bạc đang là lựa chọn hàng đầu của nhiều khách hàng nhờ [...]
Th1
Toyota Veloz Cross 2026: Đánh Giá, Giá Lăn Bánh, Thiết Kế, Công Nghệ, So Sánh
Thực tế và đáng tin cậy: toyota veloz cross 2026 không chỉ là một mẫu [...]
Th1
Toyota Corolla Veloz: Đánh Giá Chi Tiết, Giá Bán, So Sánh Và Ưu Đãi Tốt Nhất
toyota corolla veloz 2025 không chỉ là một chiếc xe, mà còn là lựa chọn [...]
Th1
Toyota Veloz Mấy Chỗ Ngồi? Đánh Giá Chi Tiết Số Chỗ, Nội Thất, Giá
(Mở bài) Tìm hiểu số chỗ ngồi xe Toyota Veloz là yếu tố quan trọng [...]
Th1
Toyota Veloz 2022 Giá Lăn Bánh: Ưu Đãi, Đánh Giá & So Sánh Chi Tiết Nhất
Tìm hiểu về toyota veloz 2022 giá lăn bánh là bước quan trọng để bạn [...]
Th1
Toyota Veloz Và Avanza: So Sánh, Đánh Giá, Nên Mua Xe Nào?
Toyota Veloz và Avanza, hai mẫu MPV đa dụng của Toyota, đang là lựa chọn [...]
Th1
Toyota Veloz 2024 Giá Lăn Bánh & Ưu Đãi Mới Nhất | So Sánh Giá
toyota veloz 2024 giá bao nhiêu là câu hỏi được rất nhiều khách hàng quan [...]
Th1
Toyota Safety Sense Veloz: Đánh Giá Chi Tiết, Tính Năng Và An Toàn Tuyệt Đối
Toyota Safety Sense trên Veloz không chỉ là một tính năng, mà còn là lá [...]
Th1
So Sánh Suzuki XL7 Và Toyota Veloz: Nên Chọn MPV 7 Chỗ Nào?
So sánh Suzuki XL7 và Toyota Veloz là một nhu cầu cấp thiết cho những [...]
Th1
So Sánh Honda Brv Và Toyota Veloz: Nên Chọn MPV 7 Chỗ Nào Tốt Nhất?
Quyết định giữa Honda BRV và Toyota Veloz luôn là một bài toán khó đối [...]
Th1
Toyota Veloz Cross 2024 Màu Đỏ: Đánh Giá Chi Tiết, Giá Lăn Bánh & Ưu Đãi
Nắm bắt ngay cơ hội sở hữu chiếc xe toyota veloz cross 2024 màu đỏ, [...]
Th1
Xe Toyota Veloz Cross 2022 Cũ: Giá Rẻ, Đánh Giá, Kinh Nghiệm Mua
Việc tìm kiếm một chiếc xe gia đình vừa rộng rãi, tiện nghi, lại tiết [...]
Th1
Toyota Veloz Độ Đẹp: Tuyển Tập Mẫu Tuning, Bodykit, Nội Thất Cá Tính
Độ xe Toyota Veloz đẹp không chỉ là trào lưu mà còn là cách khẳng [...]
Th1
Giá Toyota Veloz Lăn Bánh: Cập Nhật Chi Phí, Ưu Đãi, Thủ Tục Mua Xe
Việc tìm hiểu về giá lăn bánh Toyota Veloz 2025 là mối quan tâm hàng [...]
Th1
Toyota Veloz 4 Chỗ: Đánh Giá Chi Tiết, Giá Bán Và Ưu Nhược Điểm
Đối với những ai đang tìm kiếm một chiếc xe 7 chỗ đa dụng, bền [...]
Th1
Xe Ô Tô Toyota Veloz: Đánh Giá Chi Tiết, Giá Bán, Thông Số Kỹ Thuật
Toyota Veloz đang ngày càng khẳng định vị thế là lựa chọn hàng đầu trong [...]
Th1
Xe Toyota Veloz Cross Giá Bao Nhiêu? Bảng Giá Lăn Bánh & Ưu Đãi Mới Nhất
Toyota Veloz Cross giá bao nhiêu là câu hỏi được rất nhiều khách hàng quan [...]
Th1
Chiều Dài Xe Toyota Veloz: Kích Thước, Thông Số, So Sánh & Đánh Giá
Hiểu rõ chiều dài xe toyota veloz là yếu tố quan trọng giúp bạn đưa [...]
Th1
Xe 7 Chỗ Toyota Veloz: Đánh Giá, Giá Bán, So Sánh & Ưu Đãi
Toyota Veloz đang trở thành lựa chọn hàng đầu cho những gia đình Việt đang [...]
Th1
Toyota Veloz Thông Số Kỹ Thuật Chi Tiết 2024: Động Cơ, Kích Thước, Tiêu Hao Nhiên Liệu
(Mở bài) Việc nắm rõ toyota veloz thông số kỹ thuật là yếu tố then [...]
Th1
Giá Toyota Veloz 7 Chỗ Lăn Bánh 2024: Báo Giá, Khuyến Mãi, Trả Góp Tốt Nhất
(mở bài) Giá xe Toyota Veloz 7 chỗ luôn là mối quan tâm hàng đầu [...]
Th1
Toyota 7 Chỗ Veloz Cross: Đánh Giá Chi Tiết, Giá Bán Và Ưu Đãi
Đánh giá chi tiết về Toyota Veloz Cross là điều cần thiết nếu bạn đang [...]
Th1
Toyota Veloz Cross 2023 Giá Lăn Bánh: Ước Tính Chi Phí & Ưu Đãi!
Việc nắm rõ giá lăn bánh Toyota Veloz Cross 2023 là yếu tố then chốt [...]
Th1
Có Nên Mua Toyota Veloz? Đánh Giá Chi Tiết, Ưu Nhược Điểm, Giá Lăn Bánh
Toyota Veloz có thực sự là lựa chọn đáng giá trong năm 2025, khi bạn [...]
Th1
Toyota Veloz Thông Số Kỹ Thuật: Chi Tiết, Đánh Giá Và So Sánh [2024]
Việc nắm rõ toyota veloz thông số kỹ thuật là yếu tố then chốt giúp [...]
Th1
Giá Xe Ô Tô Toyota Veloz Cross: Lăn Bánh, So Sánh & Ưu Đãi
giá xe ô tô toyota veloz cross 2025 là mối quan tâm hàng đầu của [...]
Th1
Toyota Veloz Cross 2025 Thông Số Kỹ Thuật: Đánh Giá Chi Tiết, Giá Xe, Nội Thất
Toyota Veloz Cross 2025: Thông số kỹ thuật chi tiết là yếu tố then chốt [...]
Th1
Toyota Veloz Có Mấy Phiên Bản? Giá, So Sánh, Đánh Giá Chi Tiết 2024
Bạn đang tìm hiểu về Toyota Veloz và muốn biết “toyota veloz có mấy phiên [...]
Th1
Xe Toyota Veloz Cross Cũ: Giá Tốt, Đánh Giá Chi Tiết, Kinh Nghiệm Mua
Chắc chắn rồi, đây là một đoạn mở bài đáp ứng các yêu cầu của [...]
Th1
Toyota Veloz 2020: Đánh Giá Chi Tiết, Giá Lăn Bánh & So Sánh Đối Thủ MPV
(Mở bài) Nếu bạn đang tìm kiếm một chiếc xe gia đình 7 chỗ bền [...]
Th1
So Sánh Toyota Veloz Và Avanza: Nên Chọn Xe Nào Cho Gia Đình?
(Mở bài) Việc so sánh toyota veloz và avanza là vô cùng cần thiết cho [...]
Th1
Toyota Veloz 7 Chỗ Giá Bao Nhiêu? Ước Tính Chi Phí & So Sánh Các Phiên Bản
toyota veloz 7 chỗ giá bao nhiêu là câu hỏi được rất nhiều gia đình [...]
Th1
Toyota Veloz Chạy Xăng Hay Dầu: So Sánh Chi Phí Vận Hành, Động Cơ & Lựa Chọn
Xác định [toyota veloz chạy xăng hay dầu](https://thienminh-autosafety.com/toyota-veloz-chay-xang-hay-dau/) là thông tin quan trọng hàng đầu [...]
Th1
Thông Số Kỹ Thuật Xe Toyota Veloz Cross 2025: Đánh Giá Chi Tiết, Giá & Ưu Điểm
Nắm rõ thông số kỹ thuật xe toyota veloz cross 2025 là yếu tố then [...]
Th1
Xe Toyota Veloz Giá Bao Nhiêu? Giá Lăn Bánh, Ưu Đãi, So Sánh 2024
Chắc chắn rồi, đây là đoạn mở bài được tối ưu hóa cho bài viết [...]
Th1
Toyota Veloz Interior: Đánh Giá Chi Tiết, Thiết Kế, Tiện Nghi & Giá Mới Nhất
Nâng cấp trải nghiệm lái xe của bạn với bài đánh giá chi tiết về [...]
Th1
Toyota 7 Veloz: Đánh Giá Chi Tiết, Giá Lăn Bánh & So Sánh Đối Thủ
(Mở bài) Quyết định mua xe 7 chỗ chưa bao giờ dễ dàng, đặc biệt [...]
Th1
Toyota Veloz Đỏ: Đánh Giá, Giá Lăn Bánh, Mua Trả Góp, So Sánh & Ưu Đãi
Toyota Veloz Đỏ không chỉ là một lựa chọn màu sắc, mà còn là quyết [...]
Th1
Xe Toyota Veloz Cross Mấy Chỗ? Ưu Điểm, Giá Bán & So Sánh Chi Tiết
Việc tìm hiểu về số chỗ ngồi của chiếc xe Toyota Veloz Cross là yếu [...]
Th1
So Sánh Toyota Veloz Và Kia Carens: Nên Chọn MPV 7 Chỗ Nào?
Việc so sánh toyota veloz và kia carens là vô cùng quan trọng đối với [...]
Th1
Toyota Avanza Và Veloz Cross: So Sánh Chi Tiết, Nên Mua Xe Nào?
Toyota Avanza và Veloz Cross đang là hai mẫu xe MPV 7 chỗ được quan [...]
Th1
Giá Xe Toyota Veloz Cross 2025 Lăn Bánh: Ước Tính Chi Phí & So Sánh
Việc nắm bắt thông tin chi tiết về giá xe toyota veloz cross 2025 lăn [...]
Th1
Mô Hình Xe Toyota Veloz: Đánh Giá Chi Tiết, Giá Bán & Thông Số Kỹ Thuật
Toyota Veloz không chỉ là một chiếc xe, mà còn là lựa chọn hàng đầu [...]
Th1
Giá Xe Toyota Veloz 2025 Lăn Bánh: Ước Tính Chi Phí & Khuyến Mãi Mới Nhất!
Giá xe Toyota Veloz 2025 lăn bánh là mối quan tâm hàng đầu của những [...]
Th1
Bọc Ghế Da Toyota Veloz: Da Thật, Giá Rẻ, Uy Tín, Chất Lượng
Nâng tầm không gian nội thất và trải nghiệm lái xe với việc bọc ghế [...]
Th1
Toyota Veloz Cross 2023: Thông Số Kỹ Thuật Chi Tiết, Đánh Giá & Giá Lăn Bánh
Toyota Veloz Cross 2023: Việc nắm vững thông số kỹ thuật chi tiết là yếu [...]
Th1
Bảng Giá Xe Toyota Veloz 2025: Lăn Bánh, Ưu Đãi, So Sánh Đối Thủ
Khám phá chi tiết bảng giá xe toyota veloz 2025 mới nhất là thông tin [...]
Th1
Toyota Veloz Price In Vietnam: Giá Lăn Bánh, So Sánh & Ưu Đãi Tốt Nhất
Giá Toyota Veloz tại Việt Nam luôn là mối quan tâm hàng đầu của những [...]
Th1
Mua Xe Toyota Veloz Trả Góp: Lãi Suất Ưu Đãi, Thủ Tục Nhanh Chóng, Ngân Hàng Hỗ Trợ.
mua xe toyota veloz trả góp năm 2025 là giải pháp tài chính thông minh [...]
Th1
Giá Lăn Bánh Toyota Veloz Cross 2024: Ước Tính Chi Phí, Khuyến Mãi & Thủ Tục
giá lăn bánh toyota veloz cross 2025 luôn là mối quan tâm hàng đầu của [...]
Th1
Toyota Veloz 2023 Giá Lăn Bánh: Ước Tính Chi Phí, Khuyến Mãi & Thủ Tục
Toyota Veloz 2023 giá lăn bánh là mối quan tâm hàng đầu của những ai [...]
Th1
Giá Lăn Bánh Toyota Veloz Cross Top: Ước Tính Chi Phí & Khuyến Mãi
Giá lăn bánh Toyota Veloz Cross TOP 2025 là mối quan tâm hàng đầu của [...]
Th1
Màn Hình Toyota Veloz Cross Android: Giá, Đánh Giá, Nâng Cấp, Lắp Đặt
màn hình toyota veloz cross không chỉ là một phần của nội thất xe hơi, [...]
Th1
Kích Thước Xe Toyota Veloz Cross: Dài Rộng Cao, So Sánh Đối Thủ, Đánh Giá
(Mở bài) Nắm rõ kích thước xe toyota veloz cross là yếu tố then chốt [...]
Th1
Thông Số Kỹ Thuật Toyota Veloz Cross 2025: Đánh Giá Chi Tiết, Giá Lăn Bánh
Đánh giá chi tiết thông số kỹ thuật toyota veloz cross 2025 là yếu tố [...]
Th1
Toyota Avanza Và Veloz: So Sánh Chi Tiết, Đánh Giá, Nên Mua Xe Nào?
(mở bài) Việc lựa chọn giữa Toyota Avanza và Veloz luôn là bài toán khó [...]
Th1
Toyota Veloz Số Sàn: Đánh Giá, Giá Lăn Bánh, So Sánh & Có Nên Mua?
(mở bài) toyota veloz số sàn đang trở thành lựa chọn hàng đầu cho những [...]
Th1
Toyota Veloz 2026: Đánh Giá, Giá Lăn Bánh & So Sánh Đối Thủ MPV Gia Đình
toyota veloz 2026: Đánh giá chi tiết nhất về mẫu MPV 7 chỗ được mong [...]
Th1
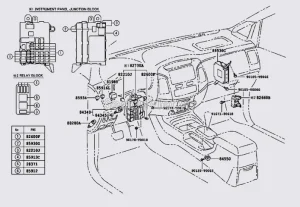
Các Đèn Cảnh Báo Trên Xe Toyota Veloz Cross: Ý Nghĩa & Cách Xử Lý
Việc nắm rõ ý nghĩa của các đèn cảnh báo trên xe Toyota Veloz Cross [...]
Th1
Kích Thước Toyota Veloz Cross 2024: Thông Số, So Sánh, Đánh Giá Chi Tiết
Kích thước Toyota Veloz Cross là yếu tố quan trọng hàng đầu ảnh hưởng đến [...]
Th1
Toyota Veloz Cross 2024 Thông Số Kỹ Thuật: Đánh Giá Chi Tiết, Giá Lăn Bánh
Việc nắm vững thông số kỹ thuật của Toyota Veloz Cross 2024 là yếu tố [...]
Th1
Thông Số Xe Toyota Veloz 2024: Đánh Giá Chi Tiết, Giá Bán, Ưu Nhược Điểm
thông số xe toyota veloz là yếu tố then chốt giúp bạn đưa ra quyết [...]
Th1
Xe Toyota Veloz Mấy Chỗ? Đánh Giá Chi Tiết, Tiện Nghi Cho Gia Đình 7 Chỗ
Toyota Veloz mấy chỗ là câu hỏi quan trọng hàng đầu khi bạn cân nhắc [...]
Th1
Toyota Veloz Vietnam: Đánh Giá, Giá Xe, So Sánh Với Đối Thủ, Nên Mua Không?
(mở bài) Quyết định mua xe toyota veloz vietnam 2025 là một trong những lựa [...]
Th1
Xe Ô Tô 7 Chỗ Toyota Veloz: Đánh Giá, Giá Lăn Bánh & Ưu Đãi
(mở bài) Toyota Veloz đang ngày càng khẳng định vị thế là lựa chọn hàng [...]
Th1
Xe Toyota Veloz 5 Chỗ: Đánh Giá, Giá Lăn Bánh & So Sánh Đối Thủ
Với những ai đang tìm kiếm một chiếc xe đa dụng, linh hoạt cho gia [...]
Th1
Giá Xe Toyota Veloz 7 Chỗ: Bảng Giá Lăn Bánh, Ưu Đãi, So Sánh
giá xe toyota veloz 7 chỗ luôn là mối quan tâm hàng đầu của những [...]
Th1
Giá Xe Toyota Veloz Mới Nhất: Bảng Giá, Ưu Đãi, So Sánh Đối Thủ
(Mở bài) Cập nhật giá xe toyota veloz mới nhất năm 2025 là thông tin [...]
Th1
Toyota Veloz Cross 7 Chỗ Giá Lăn Bánh [Năm]: Ước Tính, Khuyến Mãi, Trả Góp
Việc tìm hiểu về giá lăn bánh Toyota Veloz Cross 7 chỗ là mối quan [...]
Th1
Giá Xe Toyota Veloz Cross Lăn Bánh: Chi Phí, Ưu Đãi, Thủ Tục Mua
giá xe toyota veloz cross lăn bánh luôn là mối quan tâm hàng đầu của [...]
Th1
Xe Toyota Veloz 2024 Giá Bao Nhiêu? Giá Lăn Bánh, Ưu Đãi, So Sánh Đối Thủ
(mở bài) Nếu bạn đang tìm kiếm một chiếc xe 7 chỗ đa dụng, tiết [...]
Th1
Giá Toyota Veloz Cross Lăn Bánh 2024: Ưu Đãi, Khuyến Mãi Tốt Nhất!
giá toyota veloz cross 2025 là mối quan tâm hàng đầu của những ai đang [...]
Th1
Mức Tiêu Hao Nhiên Liệu Của Toyota Veloz Cross: Đánh Giá Chi Tiết & Cách Tiết Kiệm
Xác định mức tiêu hao nhiên liệu của Toyota Veloz Cross là yếu tố then [...]
Th1
Giá Xe Toyota Veloz Lăn Bánh [Năm] Bao Nhiêu? Ưu Đãi, Trả Góp, So Sánh
Nắm bắt ngay thông tin giá xe toyota veloz lăn bánh 2025 chi tiết và [...]
Th1
Toyota Veloz Đen: Đánh Giá, Giá Lăn Bánh Và So Sánh Đối Thủ MPV 7 Chỗ
toyota veloz đen đang trở thành lựa chọn hàng đầu của nhiều gia đình Việt [...]
Th1
Đánh Giá Toyota Veloz: Ưu Nhược Điểm, Thông Số, Giá Lăn Bánh & So Sánh
Toyota Veloz, mẫu MPV 7 chỗ đang tạo nên cơn sốt trên thị trường, liệu [...]
Th1
Toyota Veloz Cross Cvt: Đánh Giá, Giá Lăn Bánh, So Sánh & Ưu Điểm
toyota veloz cross cvt – lựa chọn hàng đầu cho gia đình Việt đang tìm [...]
Th1
Toyota Veloz 5 Chỗ: Đánh Giá, Giá Lăn Bánh & So Sánh Đối Thủ
Nắm bắt cơ hội sở hữu Toyota Veloz – lựa chọn xe 5 chỗ lý [...]
Th1
Ắc Quy Toyota Veloz Chính Hãng: Giá Tốt, Tư Vấn Thay Thế & Bảo Dưỡng
Ắc quy xe Toyota Veloz là một bộ phận cực kỳ quan trọng, ảnh hưởng [...]
Th1
Thông Số Kỹ Thuật Toyota Veloz: Đánh Giá Chi Tiết, Giá Xe & So Sánh
(Mở bài) Việc nắm rõ thông số kỹ thuật toyota veloz là vô cùng quan [...]
Th1
Toyota Veloz Cross Mấy Chỗ? Đánh Giá Chi Tiết, Giá Lăn Bánh & So Sánh
Chắc hẳn, mối quan tâm hàng đầu của bạn khi tìm hiểu về Toyota Veloz [...]
Th1
Giá Xe Toyota Veloz Cross 7 Chỗ: Giá Lăn Bánh, Ưu Đãi & Đánh Giá
(Mở bài) giá xe toyota veloz cross 7 chỗ luôn là mối quan tâm hàng [...]
Th1
Toyota Veloz 2021: Đánh Giá Chi Tiết, Thông Số, Giá Lăn Bánh, So Sánh Xpander
(mở bài) toyota veloz 2021 không chỉ là một chiếc xe, mà còn là lựa [...]
Th1
Toyota Veloz Màu Đen: Đánh Giá, Giá Lăn Bánh Và So Sánh Chi Tiết
(mở bài) toyota veloz màu đen đang là lựa chọn hàng đầu của nhiều khách [...]
Th1
Xe Ô Tô Toyota Veloz Cross: Đánh Giá, Giá Lăn Bánh & Ưu Đãi Mới Nhất
Toyota Veloz Cross đang ngày càng chứng minh vị thế không thể thay thế trong [...]
Th1
Toyota Veloz 7 Chỗ Cũ: Giá Rẻ, Đánh Giá, Kinh Nghiệm Mua Xe
(mở bài) Quyết định mua một chiếc toyota veloz 7 chỗ cũ không chỉ là [...]
Th1
Toyota Veloz Bao Nhiêu Lít Nhớt? Tư Vấn Thay Dầu, Chọn Nhớt Tốt Nhất
Việc tìm hiểu toyota veloz bao nhiêu lít nhớt là vô cùng quan trọng để [...]
Th1
Kích Thước Xe Toyota Veloz Chi Tiết 2024: Dài Rộng Cao, Khoang Hành Lý, So Sánh
kích thước xe toyota veloz là yếu tố quan trọng hàng đầu ảnh hưởng đến [...]
Th1
Xe Toyota Veloz 2025 Giá Lăn Bánh: Ước Tính Chi Tiết & Khuyến Mãi Tốt Nhất
Việc tìm hiểu về giá lăn bánh xe Toyota Veloz 2025 là vô cùng quan [...]
Th1
Toyota Veloz Lăn Bánh: Giá, Đánh Giá, Ưu Đãi & So Sánh Đối Thủ (2024)
toyota veloz lăn bánh năm 2025: Bài toán chi phí thực tế là vấn đề [...]
Th1
