Sơ đồ bộ phận Mazda: Hướng dẫn chi tiết đọc và ứng dụng thực tế

Sơ đồ bộ phận Mazda (mazda parts diagram) là công cụ kỹ thuật thiết yếu, cung cấp cái nhìn toàn diện về cấu trúc và mối liên kết giữa các thành phần trên xe. Hiểu rõ các sơ đồ này không chỉ giúp chủ xe nắm bắt hệ thống xe mà còn là nền tảng quan trọng cho việc bảo dưỡng, chẩn đoán sự cố và đặt phụ tùng thay thế chính xác. Bài viết này sẽ phân tích chuyên sâu về các loại sơ đồ bộ phận Mazda, cách đọc chúng và ứng dụng thực tế cho người dùng.

Tóm tắt nhanh: Sơ đồ bộ phận Mazda là gì?

Sơ đồ bộ phận Mazda là các bản vẽ kỹ thuật chi tiết, được Mazda và các nhà cung cấp dịch vụ chính hãng phát hành, mô tả vị trí, hình dạng và mã số của từng linh kiện trên xe. Chúng được chia thành nhiều hệ thống như động cơ, truyền động, điện, khung gầm và thân xe. Việc sử dụng đúng sơ đồ cho phép xác định chính xác phụ tùng cần thay thế, hiểu nguyên lý hoạt động và thực hiện các công việc bảo dưỡng một cách an toàn, hiệu quả.

Sơ đồ bộ phận Mazda: Khái niệm và tầm quan trọng

Sơ Đồ Bộ Phận Mazda: Hướng Dẫn Chi Tiết Đọc Và Ứng Dụng Thực Tế
Sơ Đồ Bộ Phận Mazda: Hướng Dẫn Chi Tiết Đọc Và Ứng Dụng Thực Tế

Định nghĩa và phân loại chính

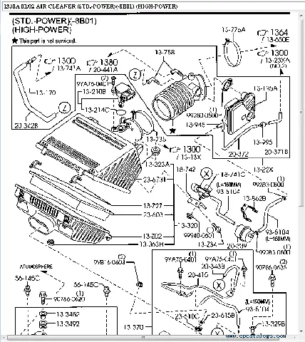
Sơ đồ bộ phận Mazda (Mazda parts diagram) thường được gọi là “Exploded View Diagram” hoặc “Parts Catalog Diagram” trong ngành công nghiệp ô tô. Đây không phải là một bản vẽ đơn lẻ mà là một bộ sưu tập các sơ đồ được phân hệ thống hóa. Mỗi sơ đồ tập trung vào một cụm bộ phận cụ thể, chẳng hạn như hệ thống phun xăng SkyActiv-G, hệ thống treo MacPherson trước, hoặc cụm đèn LED phía sau. Mỗi bộ phận trong sơ đồ được gán một mã số duy nhất (Part Number), thường kèm theo mô tả bằng tiếng Anh hoặc tiếng Nhật, đóng vai trò như “chìa khóa” để tra cứu và đặt hàng phụ tùng.

Tầm quan trọng của các sơ đồ này là không thể phủ nhận. Trước khi thực hiện bất kỳ thao tác nào, từ thay lọc gió đến thay phanh, việc đầu tiên là xác định chính xác vị trí và mã số của bộ phận. Sơ đồ giúp tránh được sai sót đắt giá, như mua nhầm phụ tùng không tương thích, hoặc lắp đặt sai vị trí. Đối với các kỹ thuật viên, đây là tài liệu tham khảo bắt buộc. Đối với chủ xe tự sửa, đây là người bạn đồng hành không thể thiếu.

Xem thêm  Mazda 2 White: Đánh Giá Chi Tiết Và Lý Do Nên Mua

Các nguồn sơ đồ chính hãng và độ tin cậy

Sơ Đồ Bộ Phận Mazda: Hướng Dẫn Chi Tiết Đọc Và Ứng Dụng Thực Tế
Sơ Đồ Bộ Phận Mazda: Hướng Dẫn Chi Tiết Đọc Và Ứng Dụng Thực Tế

Nguồn sơ đồ chính xác nhất luôn đến từ chính hãng Mazda. Có hai kênh chính:

  1. Mazda’s Official Parts Catalog (MOPAR): Đây là cơ sở dữ liệu chính thức, thường được cung cấp cho các đại lý và trung tâm dịch vụ ủy quyền. Nội dung được cập nhật liên tục cho từng model và năm sản xuất.
  2. Tài liệu kỹ thuật chính hãng (Factory Service Manual – FSM): Các sách hướng dẫn sửa chữa chính hãng của Mazda bao gồm sơ đồ bộ phận chi tiết kèm theo hướng dẫn từng bước tháo lắp. Chúng có giá trị tham khảo cực cao.

Ngoài ra, một số trang web uy tín về phụ tùng ô tô cũng cung cấp các sơ đồ tra cứu trực tuyến, được lấy dữ liệu từ hệ thống chính hãng. Khi sử dụng các nguồn này, người dùng cần đảm bảo nhập chính xác mã VIN (Vehicle Identification Number) hoặc thông tin model, năm sản xuất, động cơ để lấy được sơ đồ tương ứng. Một lưu ý quan trọng: các sơ đồ từ nguồn thứ ba có thể đã lỗi thời hoặc không cập nhật kịp thời đối với các thay đổi trong lô sản xuất. Đối với các công việc quan trọng, việc cross-check với thông tin từ thienminh-autosafety.com hoặc đại lý chính hãng là cần thiết.

Cách đọc và hiểu một sơ đồ bộ phận Mazda

Ngôn ngữ chung của sơ đồ

Một sơ điển hình sẽ có các thành phần sau:

  • Hình ảnh khung xương (Wireframe): Đây là hình vẽ phác thảo đường nét, cho thấy hình dạng và vị trí lắp đặt của từng bộ phận. Các bộ phận thường được tách ra (exploded view) với các đường nối mũi tên chỉ hướng lắp ráp.
  • Mã số (Part Number): Được in bên cạnh hoặc bên trong hình vẽ mỗi bộ phận. Đây là thông tin quan trọng nhất để đặt hàng. Mã số thường có định dạng cụ thể, ví dụ: B123-56789 hoặc 56789-0C.
  • Mô tả (Description): Tên tiếng Anh (hoặc tiếng Việt dịch) của bộ phận, ví dụ: “Engine Mount, LH” (Đợt động cơ bên trái), “Brake Pad, Front” (Báo phanh trước).
  • Chú thích (Notes): Các ghi chú về vật liệu, phiên bản, hoặc điều kiện áp dụng (ví dụ: “For models with Turbo”, “Applies to VIN: 123456789”).

Quy ước ký hiệu thường gặp

Sơ Đồ Bộ Phận Mazda: Hướng Dẫn Chi Tiết Đọc Và Ứng Dụng Thực Tế
Sơ Đồ Bộ Phận Mazda: Hướng Dẫn Chi Tiết Đọc Và Ứng Dụng Thực Tế

Hiểu các quy ước giúp đọc sơ đồ nhanh chóng:

  • Mũi tên: Thường chỉ chiều lắp ráp, hoặc chiều của bu-lông, ốc vít.
  • Đường nét đứt: Thể hiện các bộ phận ẩn phía sau.
  • Các hình tròn/điểm: Đánh dấu vị trí của đinh tán, bu-lông.
  • Màu sắc: Một số sơ đồ dùng màu để phân biệt các hệ thống (xanh cho hệ thống điện, đỏ cho ống dẫn nhiên liệu, v.v.).
Xem thêm  Mazda Factory Mexico: Tất tần tật về trung tâm sản xuất chiến lược của Mazda

Ứng dụng thực tế: Từ sơ đồ đến hành động

Giả sử bạn cần thay lọc dầu trên Mazda CX-5 dùng động cơ SkyActiv-G 2.0L. Quy trình như sau:

  1. Tra mã VIN: Xác định chính xác model, năm, động cơ.
  2. Tra sơ đồ hệ thống động cơ: Tìm mục “Lubrication System” hoặc “Oil Filter”.
  3. Xác định mã số: Trên sơ đồ, bạn thấy bộ phận “Oil Filter Assembly” có mã PE1W-14-302. Đây là mã bạn cần.
  4. Kiểm tra phiên bản: Chú thích ghi “For engines without Oil Cooler”. Bạn kiểm tra xe mình có tản nhiệt dầu không? Nếu có, bạn cần tìm sơ đồ khác hoặc mã số khác.
  5. Đặt hàng và thay thế: Với mã số chính xác, bạn có thể đặt phụ tùng chính hãng hoặc tương thương chất lượng cao. Sơ đồ còn cho biết vị trí lắp đặt, cách tháo ốc vít giữ, và các bộ phận nào cần tháo ra để tiếp cận (ví dụ: cần tháo tấm chắn nhiệt trước).

Các hệ thống sơ đồ bộ phận chính trên Mazda

Hệ thống động cơ SkyActiv

Sơ Đồ Bộ Phận Mazda: Hướng Dẫn Chi Tiết Đọc Và Ứng Dụng Thực Tế
Sơ Đồ Bộ Phận Mazda: Hướng Dẫn Chi Tiết Đọc Và Ứng Dụng Thực Tế

Đây là trái tim của mọi xe Mazda hiện đại. Sơ đồ động cơ SkyActiv (có thể là SkyActiv-G cho xăng, SkyActiv-D cho diesel, SkyActiv-X mới) sẽ chi tiết đến từng thành phần:

  • Bloc máy & Cáp trục: Hình dạng, vị trí các xi-lanh, bạc đạn, trục khuỷu.
  • Hệ thống van: Van nạp, van xả, cần van, mô tơ van biến thiên (VVT) – sơ đồ sẽ cho thấy cơ cấu và các bộ phận điều khiển.
  • Hệ thống nhiên liệu: Bom xăng, van tiết lưu, đường ống cao su, các loại phun xăng trực tiếp (GDI). Sơ đồ ở đây cực kỳ quan trọng để phân biệt các phiên bản phun xăng.
  • Hệ thống làm mát: Vị trí nhiệt kế, thermostat, bơm nước, và đặc biệt là hệ thống tản nhiệt dầu (nếu có).
  • Hệ thống khởi động: Động cơ khởi động (starter), lực kế (flywheel).

Hệ thống truyền động và treo

  • Hộp số: Sơ đồ hộp số thủ công (MT) hoặc tự động (AT, SkyActiv-Drive). Chúng cho thấy cấu trúc bánh răng, ly hợp, bộ chuyển đổi mô-men xoắn, và các cảm biến, actutator điện tử.
  • Hệ thống treo: Sơ đồ treo trước (thường là MacPherson) và sau (đa liên kết hoặc twist-beam). Chi tiết các thanh điều khiển (control arm), trụ đỡ (strut), lò xo, giảm chấn (shock absorber), và bạc đạn.
  • Hệ thống lái: Rơ-le, bánh lái, trụ lái, và hệ thống lái trợ lực điện (EPAS) trên các dòng Mazda mới.

Hệ thống điện và điện tử (i-Activsense)

Đây là phần phức tạp và có nhiều biến thể nhất. Sơ đồ ở đây thường được chia nhỏ:

  • Hệ thống đèn: Đèn pha LED/ xenon, đèn định vị, đèn hậu, đèn stop. Sơ đồ cho thấy bóng đèn, relay, module điều khiển.
  • Hệ thống cảm biến: Cảm biến siêu âm (cảnh báo điểm mù), camera trước (hỗ trợ phanh tự động), radar, cảm biến mưa, cảm biến nhiệt độ.
  • Hệ thống an toàn i-Activsense: Sơ đồ cụ thể cho từng chức năng như phanh tự động (SBS), cảnh báo lệch làn (LDWS), kiểm soát hành trình thích ứng (MRCC). Các sơ đồ này sẽ cho thấy vị trí lắp đặt của radar, camera, và các mô-đun xử lý tín hiệu.
  • Hệ thống điều hòa và làm mát: Dàn lạnh, máy lạnh, van điều khiển, cảm biến nhiệt độ.
Xem thêm  Top 5 Đại Lý Mazda Uy Tín Nhất Việt Nam 2026: Đâu Là Lựa Chọn Tối Ưu?

Hệ thống khung gầm và thân xe

Sơ Đồ Bộ Phận Mazda: Hướng Dẫn Chi Tiết Đọc Và Ứng Dụng Thực Tế
Sơ Đồ Bộ Phận Mazda: Hướng Dẫn Chi Tiết Đọc Và Ứng Dụng Thực Tế
  • Khung gầm: Cấu trúc khung (unibody), các vị trí hàn, thanh cứng, điểm lắp động cơ, hộp số.
  • Hệ thống phanh: Đĩa phanh, kẹp phanh, xi-lanh chính, trợ lực, ống dẫn.
  • Hệ thống xích và bánh xe: Mâm, lốp, cụm trục bánh xe.
  • Thân xe ngoài: Các tấm kim loại, cửa, nắp capô, cản trước/sau, với mã số từng tấm.

Lời khuyên và lưu ý quan trọng khi sử dụng sơ đồ

  1. Luôn xác định chính xác model, năm, động cơ: Sơ đồ của Mazda 3 2026 và Mazda 3 2026 có thể khác biệt lớn, đặc biệt ở phần đầu đèn hay lưới tản nhiệt. Mã VIN là chìa khóa duy nhất chính xác.
  2. Đọc kỹ ghi chú (Notes): Các ghi chú nhỏ có thể quyết định việc một bộ phận có tương thích với xe bạn hay không. “LH” (Left Hand – bên trái), “RH” (Right Hand – bên phải) là những ký hiệu cơ bản nhưng dễ bị nhầm lẫn.
  3. Sử dụng sơ đồ để kiểm tra trước khi mua: Khi mua phụ tùng thay thế, hãy dựa vào sơ đồ để xác nhận mã số với nhà cung cấp. Điều này đặc biệt quan trọng với các bộ phận điện tử như cảm biến, module.
  4. Không phụ thuộc hoàn toàn vào sơ đồ cho thao tác phức tạp: Sơ đồ chỉ cho thấy vị trí và mã số. Các thao tác tháo lắp, điều chỉnh, lắp đặt lại cần được tham khảo từ hướng dẫn sửa chữa chính hãng (Service Manual). Sai sót trong quy trình có thể dẫn đến hư hỏng.
  5. Lưu trữ số hóa: Hãy scan hoặc tải PDF các sơ đồ quan trọng của xe mình, lưu trữ trong điện thoại hoặc máy tính. Điều này cực kỳ hữu ích khi cần tra cứu ngoài hiệu thuốc hoặc khi không có internet.

Tổng kết

Sơ đồ bộ phận Mazda (mazda parts diagram) là cánh cửa mở ra thế giới kỹ thuật chính xác của chiếc xe. Nó biến một khái niệm chung chung về “bộ phận xe” thành một bộ dữ liệu có thể tra cứu, có thể hành động. Từ việc xác định một ốc vít nhỏ đến hiểu cấu trúc của động cơ SkyActiv, các sơ đồ này cung cấp thông tin nền tảng không thể thay thế. Chìa khóa để sử dụng hiệu quả là sự chính xác trong việc xác định model/năm, sự kiên nhẫn trong việc đọc chú thích, và sự khiêm nhường trong việc tham khảo chuyên gia cho những công việc vượt quá năng lực. Khi sở hữu và sử dụng thành thạo công cụ này, người dùng không còn là người “lái xe” thụ động mà trở thành người “quản lý” và “hiểu biết” về xe của mình một cách chủ động và sâu sắc.

Cập Nhật Lúc Tháng 4 7, 2026 by Huỳnh Thanh Vi

Để lại một bình luận

Email của bạn sẽ không được hiển thị công khai. Các trường bắt buộc được đánh dấu *